CM-2 1972
General Eléctrica Española (GEE); Madrid
- Country
- Spain
- Manufacturer / Brand
- General Eléctrica Española (GEE); Madrid
- Year
- 1972
- Category
- Sound/Video Recorder and/or Player
- Radiomuseum.org ID
- 290424
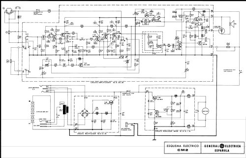
Click on the schematic thumbnail to request the schematic as a free document.
- Number of Transistors
- 14
- Semiconductors
- BC149 BC159 BC148 BC148 BC148 BC148 BC148 BC208 BD135 BD136 AC180 2N3794 2N3794 MC140 BZY63 SD60 SD560 SFD112 B30C350
- Main principle
- Audio-Amplification
- Wave bands
- - without
- Details
- Cassette-Recorder or -Player
- Power type and voltage
- Line / Batteries (any type) / 6 x 1,5 / 12 / 127; 220 Volt
- Loudspeaker
- Permanent Magnet Dynamic (PDyn) Loudspeaker (moving coil) / Ø 4 inch = 10.2 cm
- Power out
- 0.7 W (undistorted)
- Material
- Plastics (no bakelite or catalin)
- from Radiomuseum.org
- Model: CM-2 [1972] - General Eléctrica Española GEE
- Shape
- Portable set > 8 inch (also usable without mains)
- Dimensions (WHD)
- 285 x 225 x 70 mm / 11.2 x 8.9 x 2.8 inch
- Notes
-
Para el resto del manual véase el del CM-2 variante 1971
Las partes eléctricas y mecánicas, no así la caja, se corresponden con las del Telefunken K-80.
- Net weight (2.2 lb = 1 kg)
- 2.4 kg / 5 lb 4.6 oz (5.286 lb)
- Literature/Schematics (1)
- -- Original-techn. papers.
- Author
- Model page created by Miguel Bravo-Cos. See "Data change" for further contributors.
- Other Models
-
Here you find 72 models, 31 with images and 67 with schematics for wireless sets etc. In French: TSF for Télégraphie sans fil.
All listed radios etc. from General Eléctrica Española (GEE); Madrid