Unigor 1n
Goerz Electro Ges.m.b.H., Wien
- Pays
- Autriche
- Fabricant / Marque
- Goerz Electro Ges.m.b.H., Wien
- Année
- 1965 ??
- Catégorie
- Appareils de mesure et de dépannage (matériel de labo)
- Radiomuseum.org ID
- 276650
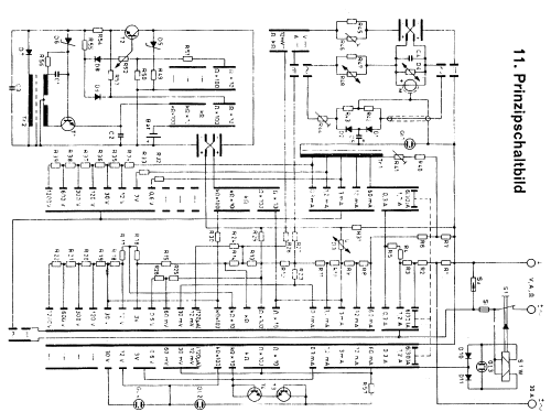
Cliquez sur la vignette du schéma pour le demander en tant que document gratuit.
- Gammes d'ondes
- - sans
- Tension / type courant
- Piles sèches / 1 x 1,5 Volt
- Haut-parleur
- - - Pas de sortie basse fréquence
- Matière
- Plastique moderne (pas de bakélite, ni de catalin)
- De Radiomuseum.org
- Modèle: Unigor 1n - Goerz Electro Ges.m.b.H., Wien
- Forme
- Modèle de table générique
- Dimensions (LHP)
- 128 x 100 x 205 mm / 5 x 3.9 x 8.1 inch
- Remarques
-
Unigor 1n Vielfachmessgerät.
Messbereich Volt DC 12 mV bis 1200 V
Messbereich Volt AC 0,6 V bis 1200 V
Messbereich Amp. DC/AC 0,3 mV bis 30 A
Messbereich Ohm 5 Messbereiche möglich
Siehe auch Norma Unigor 1nInnenwiderstand DC/AC 3.33 kOhm / Volt
- Poids net
- 1.5 kg / 3 lb 4.9 oz (3.304 lb)
- Auteur
- Modèle crée par Bernhard Sacherer. Voir les propositions de modification pour les contributeurs supplémentaires.
- D'autres Modèles
-
Vous pourrez trouver sous ce lien 53 modèles d'appareils, 52 avec des images et 25 avec des schémas.
Tous les appareils de Goerz Electro Ges.m.b.H., Wien
Collections
Le modèle Unigor 1n fait partie des collections des membres suivants.