Funktionsgenerator GFG-8016D
Good Will Instruments Co., Ltd.; Taipei
- Paese
- Taiwan
- Produttore / Marca
- Good Will Instruments Co., Ltd.; Taipei
- Anno
- 1980 ??
- Categoria
- Strumento da laboratorio
- Radiomuseum.org ID
- 144965
Clicca sulla miniatura dello schema per richiederlo come documento gratuito.
- Numero di transistor
- A semiconduttori.
- Semiconduttori
- Gamme d'onda
- - senza
- Tensioni di funzionamento
- Alimentazione a corrente alternata (CA) / 110; 220; 240 Volt
- Altoparlante
- - Per cuffie o amplificatori esterni
- Materiali
- Plastica (non bachelite o catalina)
- Radiomuseum.org
- Modello: Funktionsgenerator GFG-8016D - Good Will Instruments Co., Ltd
- Forma
- Soprammobile con pulsantiera/tastiera.
- Dimensioni (LxAxP)
- 237 x 85 x 284 mm / 9.3 x 3.3 x 11.2 inch
- Annotazioni
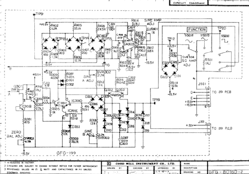
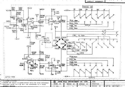
- Ausgangssignale: Sinus, Rechteck, Dreieck, 0,2Hz - 2MHz in 7 Stufen mit Feineinstellung. Integrierter Counter bis 2MHz.
- Peso netto
- 3.2 kg / 7 lb 0.8 oz (7.048 lb)
- Fonte dei dati
- - - Data from my own collection
- Bibliografia
- -- Original-techn. papers.
- Autore
- Modello inviato da Hilmer Grunert. Utilizzare "Proponi modifica" per inviare ulteriori dati.
- Altri modelli
-
In questo link sono elencati 19 modelli, di cui 18 con immagini e 4 con schemi.
Elenco delle radio e altri apparecchi della Good Will Instruments Co., Ltd.; Taipei
Collezioni
Il modello Funktionsgenerator fa parte delle collezioni dei seguenti membri.