Graetz 65WS AL4
Stern-Radio Rochlitz, VEB, RFT, (Ostd.) - vorm. Graetz AG
- País
- Alemania
- Fabricante / Marca
- Stern-Radio Rochlitz, VEB, RFT, (Ostd.) - vorm. Graetz AG
- Año
- 1947 ?
- Categoría
- Radio - o Sintonizador pasado WW2
- Radiomuseum.org ID
- 139361
Haga clic en la miniatura esquemática para solicitarlo como documento gratuito.
- Numero de valvulas
- 6
- Numero de transistores
- Semiconductores
- Sirutor
- Principio principal
- Superheterodino en general; ZF/IF 468 kHz
- Número de circuitos sintonía
- 6 Circuíto(s) AM
- Gama de ondas
- OM, OL y OC
- Tensión de funcionamiento
- Red: Corriente alterna (CA, Inglés = AC) / 220 Volt
- Altavoz
- Altavoz electrodinámico (bobina de campo)
- Material
- Madera
- de Radiomuseum.org
- Modelo: Graetz 65WS [AL4] - Stern-Radio Rochlitz, VEB, RFT
- Forma
- Sobremesa de cualquier forma, detalles no conocidos.
- Ext. procedencia de los datos
- Info Dr. Herbert Börner
- Procedencia de los datos
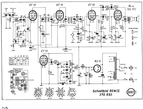
- -- Schematic
- Mencionado en
- Das Elektro-Handwerk Jg. 5 (1951) H.6, Seite BR8 - BR9
- Autor
- Modelo creado por Jens Dehne. Ver en "Modificar Ficha" los participantes posteriores.
- Otros modelos
- 
        Donde encontrará 113 modelos, 104 con imágenes y 88 con esquemas. 
 Ir al listado general de Stern-Radio Rochlitz, VEB, RFT, (Ostd.) - vorm. Graetz AG
Contribuciones en el Foro acerca de este modelo: Stern-Radio Rochlitz: Graetz 65WS
Hilos: 1 | Mensajes: 12
Im bekannten Internet-Auktionshaus geht in diesen Minuten ein mir unbekanntes Graetz-Modell zu Ende. Der Skala nach ist es eine Nachkriegsfertigung (wohl Treptow, da ohne AFN, BFN..). Der Lautsprecher, wohl nicht original, dürfte einen Bakelitkorb haben und sieht nach DDR-Fertigung aus. Ungewöhnlich die Anzahl der Röhren: 4 Stahlröhren, eine AL4 und AZ11, letztere laut Anbieter möglicherweise nicht original. Leider fehlt die Rückwand. Wer kann dieses Gerät zuordnen?
Anexos
- graetz_vorn (91 KB)
- graetz_skala (78 KB)
- graetz_innen (88 KB)
- graetz_innen2 (97 KB)
Bernhard Nagel, 01.Nov.08
 
                
                
                
               