Stewardess electronic 2422
Graetz, Altena (Westfalen)
- Paese
- Germania
- Produttore / Marca
- Graetz, Altena (Westfalen)
- Anno
- 1975/1976
- Categoria
- Televisore (TV) / Monitor
- Radiomuseum.org ID
- 181334
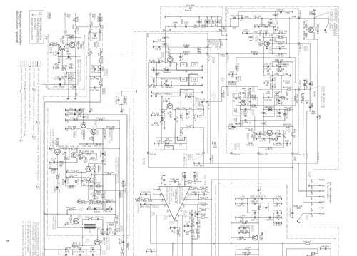
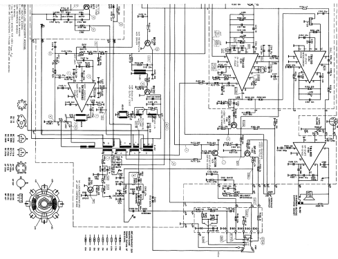
Clicca sulla miniatura dello schema per richiederlo come documento gratuito.
- Numero di tubi
- 1
- Valvole
- Numero di transistor
- A semiconduttori.
- Semiconduttori
- Principio generale
- Supereterodina (in generale)
- Gamme d'onda
- VHF/UHF (ved. i dettagli nelle note)
- Tensioni di funzionamento
- Rete / Batterie di accumulatori (eventualmente anche le batterie) / 220/12 Volt
- Altoparlante
- AP magnetodinamico ellittico (magnete permanente e bobina mobile). / Ø 15 cm = 5.9 inch
- Materiali
- Plastica (non bachelite o catalina)
- Radiomuseum.org
- Modello: Stewardess electronic 2422 - Graetz, Altena Westfalen
- Forma
- Soprammobile con qualsiasi forma (non saputo).
- Dimensioni (LxAxP)
- 410 x 265 x 270 mm / 16.1 x 10.4 x 10.6 inch
- Annotazioni
-
Graetz Stewardess electronic 2422;
Tragbarer 31 cm s/w TV mit 8 Programmtasten, CCIR B/G VHF/UHF Tuner, Weiß/Anthrazit, Orange/Anthrazit, Weiß/Oliv.Hergestellt im Graetz Standort Bochum.
- Peso netto
- 7.3 kg / 16 lb 1.3 oz (16.079 lb)
- Bibliografia
- -- Original prospect or advert (Graetz Radio Fernsehen 75/76)
- Autore
- Modello inviato da un iscritto da A. Utilizzare "Proponi modifica" per inviare ulteriori dati.
- Altri modelli
-
In questo link sono elencati 783 modelli, di cui 703 con immagini e 599 con schemi.
Elenco delle radio e altri apparecchi della Graetz, Altena (Westfalen)