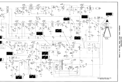
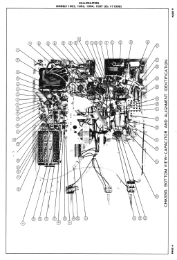
1003 Ch= F1100D
Hallicrafters, The; Chicago, IL and Arlington/Grand Prairie, TX
- Pays
- Etats-Unis
- Fabricant / Marque
- Hallicrafters, The; Chicago, IL and Arlington/Grand Prairie, TX
- Année
- 1952 ?
- Catégorie
- Récepteur de télévision ou moniteur
- Radiomuseum.org ID
- 354755
Cliquez sur la vignette du schéma pour le demander en tant que document gratuit.
- No. de tubes
- 21
- Lampes / Tubes
- 6CB6 6J6 6CB6 6CB6 6CB6 6AL5 6CB6 6AU6 6AL5 6AV6 or 6SQ7GT 6AQ5 12AU7 or 6SN7GT 12AU7 or 6SN7GT 6S4 6SN7GT 6AU5GT 6W4GT 1B3GT 5U4G 6AX5GT or 6X5GT 17HP4
- Principe général
- Super hétérodyne avec étage HF
- Gammes d'ondes
- Bandes en notes
- Tension / type courant
- Alimentation Courant Alternatif (CA) / 60 Hz, 117V = 110 -120 Volt
- Haut-parleur
- HP dynamique à aimant permanent + bobine mobile / Ø 5 inch = 12.7 cm
- Matière
- Boitier en bois
- De Radiomuseum.org
- Modèle: 1003 Ch= F1100D - Hallicrafters, The; Chicago,
- Forme
- Modèle de table générique
- Remarques
-
Hallicrafters model 1003 is a b/w TV with US standard VHF tuner channels 2 thru 13. Equipped with chassis F1100D, VHF- tuner ID961 and picture tube 17HP4.Typo in tubes parts list 504G has to be 5U4G.
- Schémathèque (1)
- Photofact Folder, Howard W. SAMS (Set 162, folder 1A, dated 1952)
- Schémathèque (2)
- Photofact Folder, Howard W. SAMS (Set 169, folder 7, dated 6-52)
- Auteur
- Modèle crée par Dirk Taekels. Voir les propositions de modification pour les contributeurs supplémentaires.
- D'autres Modèles
-
Vous pourrez trouver sous ce lien 954 modèles d'appareils, 481 avec des images et 556 avec des schémas.
Tous les appareils de Hallicrafters, The; Chicago, IL and Arlington/Grand Prairie, TX