1015 Ch= A1100D
Hallicrafters, The; Chicago, IL and Arlington/Grand Prairie, TX
- Country
- United States of America (USA)
- Manufacturer / Brand
- Hallicrafters, The; Chicago, IL and Arlington/Grand Prairie, TX
- Year
- 1952 ?
- Category
- Television Receiver (TV) or Monitor
- Radiomuseum.org ID
- 354757
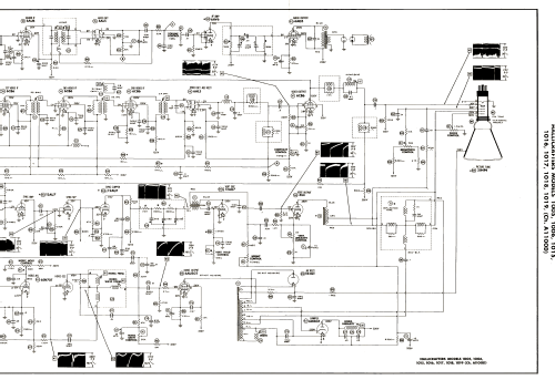
Click on the schematic thumbnail to request the schematic as a free document.
- Number of Tubes
- 21
- Valves / Tubes
- 6BQ7 or 6BK7 6J6 6CB6 6CB6 6CB6 6AL5 6CB6 6AU6 6AL5 6AV6 or 6SQ7 6AQ5 12AU7 or 6SN7GT 12AU7 or 6SN7GT 6S4 6SN7GT 6AU5GT 6W4GT 1B3GT 5U4G 6AX5GT 21MP4
- Main principle
- Superhet with RF-stage
- Wave bands
- Wave Bands given in the notes.
- Power type and voltage
- Alternating Current supply (AC) / 60 Hz, 117V = 110 -120 Volt
- Loudspeaker
- Permanent Magnet Dynamic (PDyn) Loudspeaker (moving coil) / Ø 8 inch = 20.3 cm
- Material
- Wooden case
- from Radiomuseum.org
- Model: 1015 Ch= A1100D - Hallicrafters, The; Chicago,
- Shape
- Console with any shape - in general
- Notes
-
Hallicrafters model 1015 is a b/w TV with US standard VHF tuner channels 2 thru 13. Equipped with chassis A1100D, VHF tuner 11377 and picture 21MP4.
- Literature/Schematics (1)
- Photofact Folder, Howard W. SAMS (Set 162, folder 1A, dated 1952)
- Literature/Schematics (2)
- Photofact Folder, Howard W. SAMS (Set 177, folder 8, dated 8-52)
- Author
- Model page created by Dirk Taekels. See "Data change" for further contributors.
- Other Models
-
Here you find 954 models, 481 with images and 556 with schematics for wireless sets etc. In French: TSF for Télégraphie sans fil.
All listed radios etc. from Hallicrafters, The; Chicago, IL and Arlington/Grand Prairie, TX