- Produttore / Marca
- Hallicrafters, The; Chicago, IL and Arlington/Grand Prairie, TX
- Anno
- 1952 ?
- Categoria
- Televisore (TV) / Monitor
- Radiomuseum.org ID
- 360007
Clicca sulla miniatura dello schema per richiederlo come documento gratuito.
- Numero di tubi
- 18
- Valvole
- 6BC5 6J6 6CB6 6CB6 6CB6 6AH6 6AU6 6AL5 6C4 25L6GT 12SN7GT 12BH7 6AL5 6SN7GT 25BQ6GT 12AX4GT 1B3GT 17HP4
- Principio generale
- Supereterodina con stadio RF
- Gamme d'onda
- Gamme d'onda nelle note.
- Tensioni di funzionamento
- Alimentazione a corrente alternata (CA) / 60Hz, 117V=110-120 Volt
- Altoparlante
- AP elettrodinamico (bobina mobile e bobina di eccitazione/di campo)
- Materiali
- Mobile in legno
- Radiomuseum.org
- Modello: 1022C - Hallicrafters, The; Chicago,
- Forma
- Soprammobile con qualsiasi forma (non saputo).
- Annotazioni
-
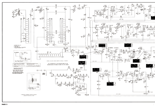
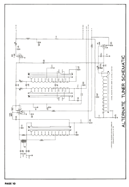
Hallicrafters model 1022C is a 17” b/w TV with US standard VHF tuner channels 2 thru 13. Equipped with a VHF tuner IC1376 and picture tube 17HP4.
- Letteratura / Schemi (1)
- Photofact Folder, Howard W. SAMS (Set 188, folder 6, dated 12-52)
- Autore
- Modello inviato da Dirk Taekels. Utilizzare "Proponi modifica" per inviare ulteriori dati.
- Altri modelli
-
In questo link sono elencati 954 modelli, di cui 480 con immagini e 555 con schemi.
Elenco delle radio e altri apparecchi della Hallicrafters, The; Chicago, IL and Arlington/Grand Prairie, TX