- Country
- United States of America (USA)
- Manufacturer / Brand
- Hallicrafters, The; Chicago, IL and Arlington/Grand Prairie, TX
- Year
- 1953 ?
- Category
- Television Receiver (TV) or Monitor
- Radiomuseum.org ID
- 364234
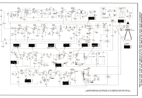
Click on the schematic thumbnail to request the schematic as a free document.
- Number of Tubes
- 18
- Valves / Tubes
- 6BC5 6J6 6CB6 6CB6 6CB6 6AH6 6AU6 6AL5 6C4 25L6GT 12SN7GT 12BH7 6AL5 6SN7GT 25BQ6GT 12AX4GT 1B3GT 21XP4
- Main principle
- Superhet with RF-stage
- Wave bands
- Wave Bands given in the notes.
- Power type and voltage
- Alternating Current supply (AC) / 60 Hz, 117V = 110 -120 Volt
- Loudspeaker
- Electro Magnetic Dynamic LS (moving-coil with field excitation coil)
- Material
- Metal case
- from Radiomuseum.org
- Model: 1074AT AY1200D - Hallicrafters, The; Chicago,
- Shape
- Tablemodel, with any shape - general.
- Notes
-
Hallicrafters model 1074AT is a 21” b/w TV with US standard VHF tuner channels 2 thru 13. Equipped with chassis AY1200D, VHF tuner 1E1677 and picture tube 21XP4.
- Literature/Schematics (2)
- Photofact Folder, Howard W. SAMS (Set 211, folder 7, dated 8-53)
- Author
- Model page created by Dirk Taekels. See "Data change" for further contributors.
- Other Models
-
Here you find 954 models, 481 with images and 556 with schematics for wireless sets etc. In French: TSF for Télégraphie sans fil.
All listed radios etc. from Hallicrafters, The; Chicago, IL and Arlington/Grand Prairie, TX