1077 Ch= AH1200D
Hallicrafters, The; Chicago, IL and Arlington/Grand Prairie, TX
- País
- Estados Unidos
- Fabricante / Marca
- Hallicrafters, The; Chicago, IL and Arlington/Grand Prairie, TX
- Año
- 1953 ?
- Categoría
- Televisión (TV) o monitor
- Radiomuseum.org ID
- 364218
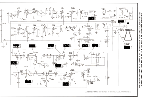
Haga clic en la miniatura esquemática para solicitarlo como documento gratuito.
- Numero de valvulas
- 18
- Válvulas
- 6BC5 6J6 6CB6 6CB6 6CB6 6AH6 6AU6 6AL5 6C4 25L6GT 12SN7GT 12BH7 6AL5 6SN7GT 25BQ6GT 12AX4GT 1B3GT 21XP4
- Principio principal
- Superheterodino con paso previo de RF
- Gama de ondas
- Bandas de recepción puestas en notas.
- Tensión de funcionamiento
- Red: Corriente alterna (CA, Inglés = AC) / 60 Hz, 117V = 110 -120 Volt
- Altavoz
- Altavoz electrodinámico (bobina de campo)
- Material
- Metálico
- de Radiomuseum.org
- Modelo: 1077 Ch= AH1200D - Hallicrafters, The; Chicago,
- Forma
- Sobremesa de cualquier forma, detalles no conocidos.
- Anotaciones
-
Hallicrafters model 1077 is a 21” b/w TV with US standard VHF tuner channels 2 thru 13. Equipped with chassis AH1200D, a VHF tuner and picture tube 21XP4.
- Documentación / Esquemas (2)
- Photofact Folder, Howard W. SAMS (Set 211, folder 7, dated 8-53)
- Autor
- Modelo creado por Dirk Taekels. Ver en "Modificar Ficha" los participantes posteriores.
- Otros modelos
-
Donde encontrará 954 modelos, 481 con imágenes y 556 con esquemas.
Ir al listado general de Hallicrafters, The; Chicago, IL and Arlington/Grand Prairie, TX