- Land
- USA
- Hersteller / Marke
- Hallicrafters, The; Chicago, IL and Arlington/Grand Prairie, TX
- Jahr
- 1952 ?
- Kategorie
- Fernseh-Empfänger/Monitor
- Radiomuseum.org ID
- 130659
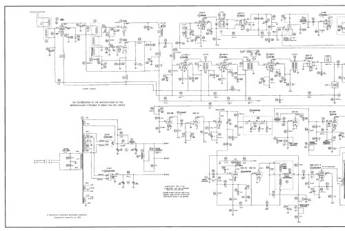
Klicken Sie auf den Schaltplanausschnitt, um diesen kostenlos als Dokument anzufordern.
- Anzahl Röhren
- 21
- Röhren
- 6AG5 or 6CB6 6J6 6CB6 6CB6 6CB6 6AL5 6CB6 6AU6 6AL5 6AV6 or 6SQ7 6AQ5 12AU7 or 6SN7GT 6SN7GT or 12AU7 6S4 6SN7GT 6AU5GT or 6AV5GT 6W4GT 1B3GT 6AX5GT or 6X5GT 5U4G 17BP4
- Hauptprinzip
- Super mit HF-Vorstufe
- Wellenbereiche
- Wellen in den Bemerkungen.
- Betriebsart / Volt
- Wechselstromspeisung / 60 Hz, 117V = 110 -120 Volt
- Lautsprecher
- Dynamischer LS, keine Erregerspule (permanentdynamisch)
- Material
- Gerät mit Holzgehäuse
- von Radiomuseum.org
- Modell: 17-824 - Hallicrafters, The; Chicago,
- Form
- Standgerät auf niedrigen Beinen (Beine < 50 % der Gesamthöhe).
- Abmessungen (BHT)
- 23.5 x 38.25 x 20.38 inch / 597 x 972 x 518 mm
- Bemerkung
-
Hallicrafters model 17824 is a 17” b/w TV with US standard VHF tuner channels 2 thru 13.
Equipped with VHF tuner 1D1055 and picture tube 17BP4. Hallicrafters 17-824; 17" rectangular CRT b/w TV with US standard VHF "Dynamic" tuner, "Contemporary-Modern" styling in mahogany veneer.
- Datenherkunft
- -- Original prospect or advert
- Literatur/Schema (1)
- Photofact Folder, Howard W. SAMS (Set 155, folder 8, dated 1-52)
- Autor
- Modellseite von einem Mitglied aus A angelegt. Siehe bei "Änderungsvorschlag" für weitere Mitarbeit.
- Weitere Modelle
-
Hier finden Sie 935 Modelle, davon 479 mit Bildern und 536 mit Schaltbildern.
Alle gelisteten Radios usw. von Hallicrafters, The; Chicago, IL and Arlington/Grand Prairie, TX