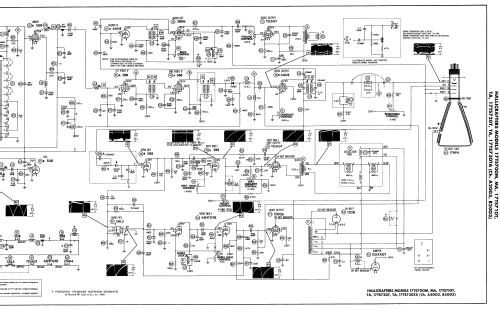
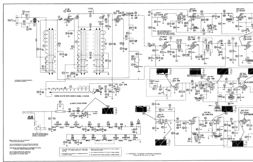
17TS700M Ch= A2003D
Hallicrafters, The; Chicago, IL and Arlington/Grand Prairie, TX
- País
- Estados Unidos
- Fabricante / Marca
- Hallicrafters, The; Chicago, IL and Arlington/Grand Prairie, TX
- Año
- 1956 ?
- Categoría
- Televisión (TV) o monitor
- Radiomuseum.org ID
- 306410
Haga clic en la miniatura esquemática para solicitarlo como documento gratuito.
- Principio principal
- Superheterodino con paso previo de RF
- Gama de ondas
- Bandas de recepción puestas en notas.
- Tensión de funcionamiento
- Red: Corriente alterna (CA, Inglés = AC) / 60 Hz, 117V = 110 -120 Volt
- Altavoz
- Altavoz dinámico (de imán permanente) / Ø 5 inch = 12.7 cm
- Material
- Plástico moderno (Nunca bakelita o catalina)
- de Radiomuseum.org
- Modelo: 17TS700M Ch= A2003D - Hallicrafters, The; Chicago,
- Forma
- Sobremesa de cualquier forma, detalles no conocidos.
- Anotaciones
-
Hallicrafters model 17TS700M is a 17" b/w TV with US standard VHF tuner channels 2 thru 13. Equipped with chassis A2003D, VHF tuner IE2632 and picture tube 17HP4.
- Documentación / Esquemas (1)
- Photofact Folder, Howard W. SAMS (Set 325 Folder 7 dated 8-56)
- Autor
- Modelo creado por Dirk Taekels. Ver en "Modificar Ficha" los participantes posteriores.
- Otros modelos
-
Donde encontrará 954 modelos, 489 con imágenes y 556 con esquemas.
Ir al listado general de Hallicrafters, The; Chicago, IL and Arlington/Grand Prairie, TX