21T440M Ch= A1900D
Hallicrafters, The; Chicago, IL and Arlington/Grand Prairie, TX
- Country
- United States of America (USA)
- Manufacturer / Brand
- Hallicrafters, The; Chicago, IL and Arlington/Grand Prairie, TX
- Year
- 1956 ?
- Category
- Television Receiver (TV) or Monitor
- Radiomuseum.org ID
- 338677
Click on the schematic thumbnail to request the schematic as a free document.
- Number of Tubes
- 15
- Valves / Tubes
- 3CB6 5AT8 3CB6 3CB6 5AM8 6AW8 5U8 3BN6 12L6GT 12BH7A 6SN7GT 12CU6 12AX4GTA 1X2B 21ALP4A
- Main principle
- Superhet with RF-stage
- Wave bands
- Wave Bands given in the notes.
- Power type and voltage
- Alternating Current supply (AC) / 60 Hz, 117V = 110 -120 Volt
- Loudspeaker
- Permanent Magnet Dynamic (PDyn) Loudspeaker (moving coil) / Ø 4 inch = 10.2 cm
- Material
- Wooden case
- from Radiomuseum.org
- Model: 21T440M Ch= A1900D - Hallicrafters, The; Chicago,
- Shape
- Tablemodel, with any shape - general.
- Notes
-
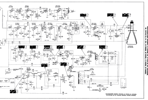
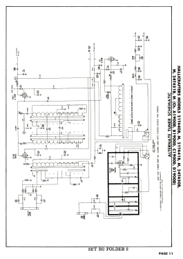
Hallicrafters model 21T440M is a 21” b/w TV with US standard VHF tuner channels 2 thru 13. Equipped with chassis A1900D, VHF tuner 1E2288 and picture tube 21ALP4A.
- Literature/Schematics (1)
- Photofact Folder, Howard W. SAMS (Set 310 Folder 8 dated 3-56)
- Author
- Model page created by Dirk Taekels. See "Data change" for further contributors.
- Other Models
-
Here you find 954 models, 489 with images and 556 with schematics for wireless sets etc. In French: TSF for Télégraphie sans fil.
All listed radios etc. from Hallicrafters, The; Chicago, IL and Arlington/Grand Prairie, TX