- Country
- United States of America (USA)
- Manufacturer / Brand
- Hallicrafters, The; Chicago, IL and Arlington/Grand Prairie, TX
- Year
- 1949
- Category
- Broadcast Receiver - or past WW2 Tuner
- Radiomuseum.org ID
- 43903
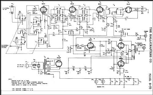
Click on the schematic thumbnail to request the schematic as a free document.
- Number of Tubes
- 8
- Main principle
- Superheterodyne (common); ZF/IF 455/10700 kHz
- Wave bands
- Broadcast (BC) and FM or UHF.
- Power type and voltage
- Alternating Current supply (AC) / 105-125 Volt
- Loudspeaker
- - This model requires external speaker(s).
- Material
- Metal case
- from Radiomuseum.org
- Model: S-59 - Hallicrafters, The; Chicago,
- Shape
- Chassis only or for «building in»
- Notes
- Sold as a chassis only for custom installation in user's cabinet.
- Price in first year of sale
- 50.00 $
- External source of data
- Ernst Erb
- Circuit diagram reference
- Rider's Perpetual, Volume 19 = 1949 and before
- Mentioned in
- Radios by hallicrafters
- Other Models
-
Here you find 954 models, 482 with images and 556 with schematics for wireless sets etc. In French: TSF for Télégraphie sans fil.
All listed radios etc. from Hallicrafters, The; Chicago, IL and Arlington/Grand Prairie, TX