- País
- Estados Unidos
- Fabricante / Marca
- Hamilton Electronics Co. / Corp. (HE); Chicago, IL
- Año
- 1956 ?
- Categoría
- Amplificador de audio o mezclador
- Radiomuseum.org ID
- 211805
Haga clic en la miniatura esquemática para solicitarlo como documento gratuito.
- Numero de valvulas
- 3
- Principio principal
- Amplificador de Audio
- Gama de ondas
- - no hay
- Especialidades
- Hi-Fi equipment
- Tensión de funcionamiento
- Red: Corriente alterna (CA, Inglés = AC) / 60 Hz, 117V = 110 -120 Volt
- Altavoz
- - Este modelo usa altavoz exterior (1 o más).
- Potencia de salida
- 55 W (unknown quality)
- Material
- Metálico
- de Radiomuseum.org
- Modelo: W-7 - Hamilton Electronics Co. /
- Forma
- Chasis (tambien de autoradio)
- Anotaciones
-
Hamilton model W-7 is an AC operated 2 channel audio amplifier.
- Documentación / Esquemas (1)
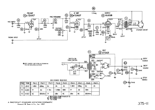
- Photofact Folder, Howard W. SAMS (Set 375 Folder 11 dated 10-57)
- Autor
- Modelo creado por Oscar Herrera. Ver en "Modificar Ficha" los participantes posteriores.
- Otros modelos
-
Donde encontrará 8 modelos, 6 con imágenes y 5 con esquemas.
Ir al listado general de Hamilton Electronics Co. / Corp. (HE); Chicago, IL