Super Pro SP-210-LX
Hammarlund Mfg. Co. Inc.; New York, NY
- Land
- USA
- Hersteller / Marke
- Hammarlund Mfg. Co. Inc.; New York, NY
- Jahr
- 1939–1945
- Kategorie
- Kommerzieller Empfänger (auch Amateurbänder)
- Radiomuseum.org ID
- 44066
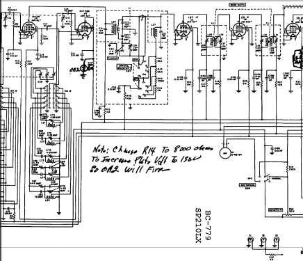
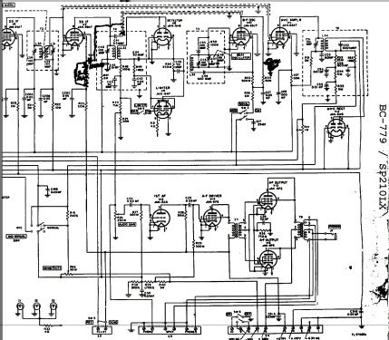
Klicken Sie auf den Schaltplanausschnitt, um diesen kostenlos als Dokument anzufordern.
- Anzahl Röhren
- 16
- Hauptprinzip
- Super mit HF-Vorstufe; ZF/IF 465 kHz; 3 NF-Stufe(n)
- Wellenbereiche
- Wellen in den Bemerkungen.
- Spezialitäten
- Netzteil (nicht nur -N-Anode)
- Betriebsart / Volt
- Externes Speisegerät / Netzgerät / Hauptgerät
- Lautsprecher
- - Dieses Modell benötigt externe(n) Lautsprecher.
- Belastbarkeit / Leistung
- 14 W (Qualität unbekannt)
- Material
- Metallausführung
- von Radiomuseum.org
- Modell: Super Pro SP-210-LX - Hammarlund Mfg. Co. Inc.; New
- Form
- Rack
- Abmessungen (BHT)
- 19 x 15.4 x 10.5 inch / 483 x 391 x 267 mm
- Bemerkung
- LW (100-400kHz), SW1(2.5-5.0MHz), SW2 (5.0-10.0MHz) and SW3 (10.0-20.0MHz) bands. Two RF Stages. Bandspread for SW1 to SW3. Variable IF bandwidth (3...16 kHz). IF 5-position single crystal filter. Noise limiter. Push-pull audio amplifier. Requires external power supply using 5Z3 and 80 tubes. Desk cabinet version exists too.
- Nettogewicht
- 25 kg / 55 lb 1.1 oz (55.066 lb)
- Datenherkunft extern
- Ernst Erb
- Schaltungsnachweis
- Rider's Perpetual, Volume 11 = ca. 1940 and before
- Literaturnachweis
- Instruction Book for "Super-Pro" Radio Receiver, and TM11-1054
- Literatur/Schema (1)
- US ARMY TM 11-866, 1948
- Weitere Modelle
-
Hier finden Sie 144 Modelle, davon 92 mit Bildern und 58 mit Schaltbildern.
Alle gelisteten Radios usw. von Hammarlund Mfg. Co. Inc.; New York, NY
Sammlungen
Das Modell Super Pro befindet sich in den Sammlungen folgender Mitglieder.