Super-Pro Radio Receiver BC-779-A Table model
Hammarlund Mfg. Co. Inc.; New York, NY
- Pays
- Etats-Unis
- Fabricant / Marque
- Hammarlund Mfg. Co. Inc.; New York, NY
- Année
- 1940 ??
- Catégorie
- Récepteur commercial (peut inclure bandes amateurs)
- Radiomuseum.org ID
- 198851
Cliquez sur la vignette du schéma pour le demander en tant que document gratuit.
- No. de tubes
- 16
- Principe général
- Super hétérodyne avec étage HF; FI/IF 465 kHz; 3 Etage(s) BF
- Gammes d'ondes
- Bandes en notes
- Tension / type courant
- Alimentation externe ou alimentation principale
- Haut-parleur
- - Ce modèle nécessite des HP externes
- Puissance de sortie
- 8 W (qualité inconnue)
- Matière
- Boitier métallique
- De Radiomuseum.org
- Modèle: Super-Pro Radio Receiver BC-779-A [Table model] - Hammarlund Mfg. Co. Inc.; New
- Forme
- Gros appareil industriel ou militaire (> 20 kg)
- Dimensions (LHP)
- 23 x 12.25 x 16.5 inch / 584 x 311 x 419 mm
- Remarques
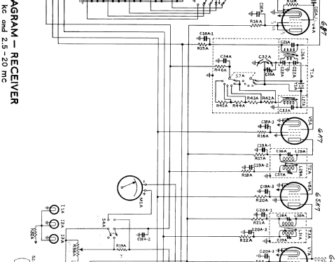
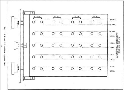
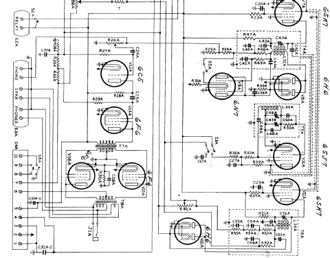
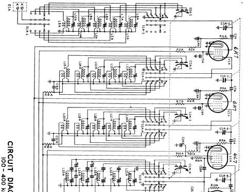
- 5 bands cover 100-400kc and 2,5-20mc. Needs power supply unit RA-84-A.
- Poids net
- 73 lb 0 oz (73 lb) / 33.142 kg
- Littérature
- Funk-Technik (FT) (1/1952, S. 16 - 18 / Beschreibung, Schema)
- Auteur
- Modèle crée par Heribert Jung. Voir les propositions de modification pour les contributeurs supplémentaires.
- D'autres Modèles
-
Vous pourrez trouver sous ce lien 144 modèles d'appareils, 92 avec des images et 58 avec des schémas.
Tous les appareils de Hammarlund Mfg. Co. Inc.; New York, NY