GWW-10A GW-10A
Heathkit (Brand), Heath Co.; Benton Harbor (MI)
- Produttore / Marca
 - Heathkit (Brand), Heath Co.; Benton Harbor (MI)
 
- Anno
 - 1962 ?
 
- Categoria
 - Apparecchio CB (banda cittadina)
 
- Radiomuseum.org ID
 - 145960
 
- 
        
- alternative name: Heath Company
 
 
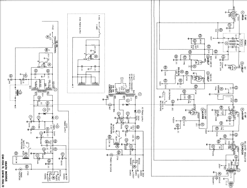
Clicca sulla miniatura dello schema per richiederlo come documento gratuito.
- Numero di tubi
 - 7
 
- Principio generale
 - Supereterodina (in generale); ZF/IF 455 kHz
 
- Gamme d'onda
 - Onde corte (solamente OC)
 
- Tensioni di funzionamento
 - Alimentazione a corrente alternata (CA) / 110-120 Volt
 
- Altoparlante
 - AP magnetodinamico (magnete permanente e bobina mobile) / Ø 3.5 inch = 8.9 cm
 
- Materiali
 - Mobile di metallo
 
- Radiomuseum.org
 - Modello: GWW-10A GW-10A - Heathkit Brand, Heath Co.;
 
- Forma
 - Soprammobile compatto/con bordi arrotondati/midget senza pulsantiera/tastiera.<= 35 cm (Sometimes with handle but for mains only).
 
- Annotazioni
 - Transmitter: Any 3 of CB-Channels 1 thru 23. Receiver: Crystal controlled on any one of CB-Channels 1 thru 23 or manually tuneable.
 
- Riferimenti schemi
 - Photofact Folder, Howard W. SAMS
 
- Autore
 - Modello inviato da Heribert Jung. Utilizzare "Proponi modifica" per inviare ulteriori dati.
 
- Altri modelli
 - 
        
In questo link sono elencati 720 modelli, di cui 703 con immagini e 510 con schemi.
Elenco delle radio e altri apparecchi della Heathkit (Brand), Heath Co.; Benton Harbor (MI)