Rita De Luxe R
Oy Helvar; Helsinki
- Paese
- Finlandia
- Produttore / Marca
- Oy Helvar; Helsinki
- Anno
- 1964 ?
- Categoria
- Radio (o sintonizzatore del dopoguerra WW2)
- Radiomuseum.org ID
- 95367
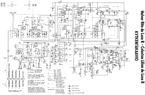
Clicca sulla miniatura dello schema per richiederlo come documento gratuito.
- Numero di transistor
- 9
- Principio generale
- Supereterodina (in generale); ZF/IF 447/10700 kHz; 3 Stadi BF
- N. di circuiti accordati
- 7 Circuiti Mod. Amp. (AM) 10 Circuiti Mod. Freq. (FM)
- Gamme d'onda
- Onde medie (OM), lunghe (OL), corte (OC) e MF (FM).
- Tensioni di funzionamento
- Batterie a secco / 6 × 1,5 Volt
- Altoparlante
- AP magnetodinamico ellittico (magnete permanente e bobina mobile).
- Materiali
- Plastica (non bachelite o catalina)
- Radiomuseum.org
- Modello: Rita De Luxe R - Oy Helvar; Helsinki
- Forma
- Apparecchio portatile > 20 cm (senza la necessità di una rete)
- Dimensioni (LxAxP)
- 315 x 215 x 105 mm / 12.4 x 8.5 x 4.1 inch
- Peso netto
- 3 kg / 6 lb 9.7 oz (6.608 lb)
- Letteratura / Schemi (1)
- -- Original-techn. papers.
- Altri modelli
-
In questo link sono elencati 254 modelli, di cui 215 con immagini e 93 con schemi.
Elenco delle radio e altri apparecchi della Oy Helvar; Helsinki
Collezioni
Il modello Rita De Luxe fa parte delle collezioni dei seguenti membri.