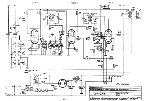
Elomar GW460
Heucke, W., Techn. Labor (TLH); Berlin und Viernheim
- Hersteller / Marke
- Heucke, W., Techn. Labor (TLH); Berlin und Viernheim
- Jahr
- 1949/1950
- Kategorie
- Rundfunkempfänger (Radio - oder Tuner nach WW2)
- Radiomuseum.org ID
- 72745
Klicken Sie auf den Schaltplanausschnitt, um diesen kostenlos als Dokument anzufordern.
- Anzahl Röhren
- 4
- Hauptprinzip
- Superhet allgemein; 2 NF-Stufe(n)
- Anzahl Kreise
- 6 Kreis(e) AM
- Wellenbereiche
- UKW vorbereitet - hat Langwelle, Mittelwelle, Kurzwelle.
- Betriebsart / Volt
- Allstromgerät / 220 Volt
- Lautsprecher
- Dynamischer LS, keine Erregerspule (permanentdynamisch) / Ø 20 cm = 7.9 inch
- Material
- Gerät mit Holzgehäuse
Die GFGF Zeitschrift Funkgeschichte bringt interessante Artikel zu Radios, Funkwesen und Medien. Bei Radiomuseum.org finden Sie die vollständigen Hefte früherer Ausgaben als PDF zum Download.
- von Radiomuseum.org
- Modell: Elomar GW460 - Heucke, W., Techn. Labor TLH;
- Form
- Tischmodell, Zusatz nicht bekannt - allgemein.
- Abmessungen (BHT)
- 490 x 350 x 200 mm / 19.3 x 13.8 x 7.9 inch
- Datenherkunft
- Radiokatalog Band 2, Ernst Erb
- Autor
- Modellseite von Klaus Ortwein angelegt. Siehe bei "Änderungsvorschlag" für weitere Mitarbeit.
- Weitere Modelle
-
Hier finden Sie 32 Modelle, davon 26 mit Bildern und 16 mit Schaltbildern.
Alle gelisteten Radios usw. von Heucke, W., Techn. Labor (TLH); Berlin und Viernheim
Sammlungen
Das Modell Elomar befindet sich in den Sammlungen folgender Mitglieder.