Little Nipper A13A
His Master's Voice (HMV, H.M.V.), EMI (Australia) Ltd.; Sydney, NSW
- Pays
- Australie
- Fabricant / Marque
- His Master's Voice (HMV, H.M.V.), EMI (Australia) Ltd.; Sydney, NSW
- Année
- 1949
- Catégorie
- Radio - ou tuner d'après la guerre 1939-45
- Radiomuseum.org ID
- 189420
Cliquez sur la vignette du schéma pour le demander en tant que document gratuit.
- No. de tubes
- 4
- Principe général
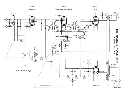
- Super hétérodyne (en général); FI/IF 457.5 kHz; 2 Etage(s) BF; Reflex
- Circuits accordés
- 6 Circuits MA (AM)
- Gammes d'ondes
- PO uniquement
- Tension / type courant
- Alimentation Courant Alternatif (CA) / 200-225; 226-250 Volt
- Haut-parleur
- HP dynamique à aimant permanent + bobine mobile / Ø 5 inch = 12.7 cm
- Matière
- Bakélite ou plastique de type inconnu
- De Radiomuseum.org
- Modèle: Little Nipper A13A - His Master's Voice HMV, H.M.V.
- Forme
- Modèle de table sans poussoirs, modèle cheminée
- Dimensions (LHP)
- 12 x 7.75 x 6 inch / 305 x 197 x 152 mm
- Remarques
- This model was available in 5 colours; cream, walnut, green, pink and blue.
- Poids net
- 10 lb 0 oz (10 lb) / 4.540 kg
- Prix de mise sur le marché
- 17.85 AUS £
- Source du schéma
- Australian Official Radio Service Manual Vol. VIII
- Schémathèque (1)
- - - Manufacturers Literature (HMV Service Manual, Model A13A.)
- Schémathèque (2)
- Australian Official Radio Service Manual AORSM (Volume 8, 1950, Page 187.)
- Auteur
- Modèle crée par Stuart Irwin. Voir les propositions de modification pour les contributeurs supplémentaires.
- D'autres Modèles
-
Vous pourrez trouver sous ce lien 589 modèles d'appareils, 414 avec des images et 284 avec des schémas.
Tous les appareils de His Master's Voice (HMV, H.M.V.), EMI (Australia) Ltd.; Sydney, NSW
Collections
Le modèle Little Nipper fait partie des collections des membres suivants.