Audio 10 T5-47 Ch= T5
His Master's Voice (HMV, H.M.V.), EMI (Australia) Ltd.; Sydney, NSW
- Country
 - Australia
 
- Manufacturer / Brand
 - His Master's Voice (HMV, H.M.V.), EMI (Australia) Ltd.; Sydney, NSW
 
- Year
 - 1969
 
- Category
 - Broadcast Receiver - or past WW2 Tuner
 
- Radiomuseum.org ID
 - 220331
 
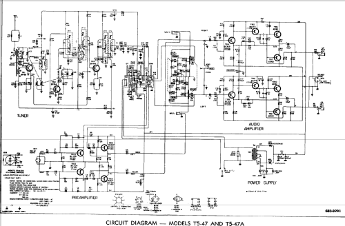
Click on the schematic thumbnail to request the schematic as a free document.
- Number of Transistors
 - 15
 
- Semiconductors
 - BF185 BF184 BF184 BC109 BC109 BC107 BC107 BC109 BC109 BC177 BC177 AD161 AD161 AD162 AD162 OA90 OA90 OA610_Philips OA610_Philips
 
- Main principle
 - Superhet with RF-stage; ZF/IF 455 kHz; 5 AF stage(s)
 
- Tuned circuits
 - 7 AM circuit(s)
 
- Wave bands
 - Broadcast only (MW).
 
- Details
 - Changer (Record changer)
 
- Power type and voltage
 - Alternating Current supply (AC) / 240-250 Volt
 
- Loudspeaker
 - 4 Loudspeakers
 
- Power out
 - 16 W (unknown quality)
 
- Material
 - Wooden case
 
- from Radiomuseum.org
 - Model: Audio 10 T5-47 Ch= T5 - His Master's Voice HMV, H.M.V.
 
- Shape
 - Console, Lowboy (legs < 50 %).
 
- Dimensions (WHD)
 - 55.25 x 29.25 x 17 inch / 1403 x 743 x 432 mm
 
- Notes
 - 
        
Stereo radiogram uses a Dual 1010F record changer.
Available in satin Walnut finish & Teak veneer.
 
- Net weight (2.2 lb = 1 kg)
 - 95 lb (95 lb 0 oz) / 43.130 kg
 
- Price in first year of sale
 - 499.00 AUS $
 
- Literature/Schematics (1)
 - - - Manufacturers Literature (HMV Service Manual for Models T5-47 & T5-47A)
 
- Literature/Schematics (2)
 - J.R. Publications Transistor Radio Service Handbook (Group G7, 1970, Page H60.)
 
- Author
 - Model page created by Stuart Irwin. See "Data change" for further contributors.
 
- Other Models
 - 
        
Here you find 589 models, 414 with images and 284 with schematics for wireless sets etc. In French: TSF for Télégraphie sans fil.
All listed radios etc. from His Master's Voice (HMV, H.M.V.), EMI (Australia) Ltd.; Sydney, NSW