TRQ-257
Hitachi Ltd.; Tokyo
- Pays
- Japon
- Fabricant / Marque
- Hitachi Ltd.; Tokyo
- Année
- 1973
- Catégorie
- Enrégistreur et/ou reproducteur son/video
- Radiomuseum.org ID
- 141478
-
- alternative name: Hitachi Sales Corp. of America
Cliquez sur la vignette du schéma pour le demander en tant que document gratuit.
- No. de transistors
- 3
- Semi-conducteurs
- Principe général
- Amplification audio
- Gammes d'ondes
- - sans
- Particularités
- Magnétophone à cassettes
- Tension / type courant
- Secteur et Piles (tous types).
- Haut-parleur
- HP dynamique à aimant permanent + bobine mobile / Ø 7.7 cm = 3 inch
- Puissance de sortie
- 1 W (qualité inconnue)
- Matière
- Plastique moderne (pas de bakélite, ni de catalin)
- De Radiomuseum.org
- Modèle: TRQ-257 - Hitachi Ltd.; Tokyo
- Forme
- Portable, appareil de poche. Taille < 20cm
- Dimensions (LHP)
- 136 x 60 x 250 mm / 5.4 x 2.4 x 9.8 inch
- Remarques
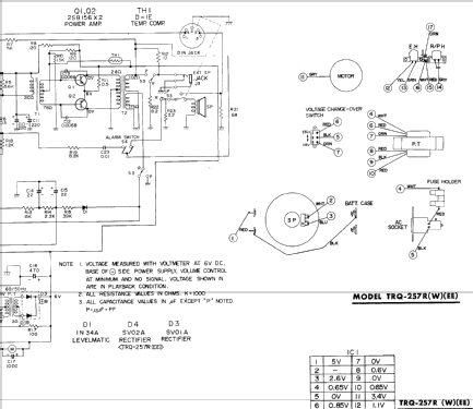
- Mono-Kassetten-Recorder mit versenkbarem Tragegriff, Auto-Alarm-Stop-System und automatischer Aussteuerung "Levelmatic". Zubehör: Mikrofon mit FB, Ohrhörer und Demo-Cassette. 3 Transistoren, 1 IC, 3 Dioden und 1 Thermistor. Frequenzbereich: 80-10000Hz.
- Poids net
- 1.7 kg / 3 lb 11.9 oz (3.744 lb)
- Prix de mise sur le marché
- 178.00 DM
- Source
- -- Original prospect or advert
- Littérature
- - - Manufacturers Literature (Preisliste November 1972)
- Auteur
- Modèle crée par Franz Scharner. Voir les propositions de modification pour les contributeurs supplémentaires.
- D'autres Modèles
-
Vous pourrez trouver sous ce lien 1071 modèles d'appareils, 962 avec des images et 263 avec des schémas.
Tous les appareils de Hitachi Ltd.; Tokyo