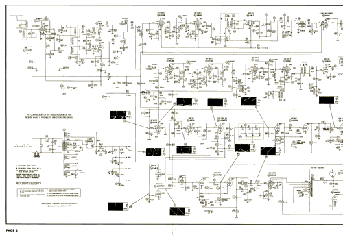
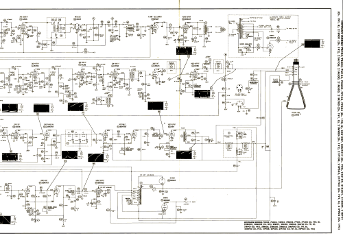
20M101F Ch= 194
Hoffman Radio Corp.; Los Angeles, CA
- Land
- USA
- Hersteller / Marke
- Hoffman Radio Corp.; Los Angeles, CA
- Jahr
- 1953 ?
- Kategorie
- Fernseh-Empfänger/Monitor
- Radiomuseum.org ID
- 362088
Klicken Sie auf den Schaltplanausschnitt, um diesen kostenlos als Dokument anzufordern.
- Anzahl Röhren
- 24
- Röhren
- 6BK7 or 6BQ7 6J6 6CB6 6CB6 6CB6 6CB6 6AL5 6CB6 6AU6 6AU6 6AU6 6AL5 6SQ7 6K6GT 6AU6 6SN7GT 6SN7GT 6S4 6SN7GT 6BG6G 6W4GT 1B3GT 5U4G 21FP4
- Hauptprinzip
- Super mit HF-Vorstufe
- Wellenbereiche
- Wellen in den Bemerkungen.
- Betriebsart / Volt
- Wechselstromspeisung / 60 Hz, 117V = 110 -120 Volt
- Lautsprecher
- Dynamischer LS, keine Erregerspule (permanentdynamisch) / Ø 5.25 inch = 13.3 cm
- Material
- Plastikgehäuse (nicht Bakelit), Thermoplast
- von Radiomuseum.org
- Modell: 20M101F Ch= 194 - Hoffman Radio Corp.; Los
- Form
- Standgerät: allgemein.
- Bemerkung
-
Hoffman model 20M101F is a 21” b/w TV with US standard VHF tuner channels 2 thru 13. Equipped with chassis 194, VHF tuner 9717 and picture tube 21FP4.
- Literatur/Schema (1)
- Photofact Folder, Howard W. SAMS (Set 201, folder 5, dated 4-53)
- Autor
- Modellseite von Dirk Taekels angelegt. Siehe bei "Änderungsvorschlag" für weitere Mitarbeit.
- Weitere Modelle
-
Hier finden Sie 980 Modelle, davon 219 mit Bildern und 946 mit Schaltbildern.
Alle gelisteten Radios usw. von Hoffman Radio Corp.; Los Angeles, CA