21M172 Ch= 303-21
Hoffman Radio Corp.; Los Angeles, CA
- Country
- United States of America (USA)
- Manufacturer / Brand
- Hoffman Radio Corp.; Los Angeles, CA
- Year
- 1956 ?
- Category
- Television Receiver (TV) or Monitor
- Radiomuseum.org ID
- 293244
Click on the schematic thumbnail to request the schematic as a free document.
- Number of Tubes
- 20
- Valves / Tubes
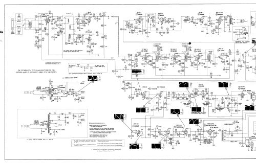
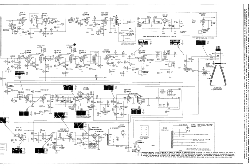
- 6BQ7A 6J6 6CB6 6CB6 6AS8 6CB6 6AU6 6AL5 6AV6 6K6GT 12AU7A 6C4 6AQ5 6AL5 6SN7GT 6BQ6GTB or 6CU6 6AX4GT 1X2B 5U4G 21AUP4A
- Main principle
- Superhet with RF-stage
- Wave bands
- Wave Bands given in the notes.
- Power type and voltage
- Alternating Current supply (AC) / 60 cycles, 117V = 110 -120 Volt
- Loudspeaker
- Permanent Magnet Dynamic (PDyn) Loudspeaker (moving coil)
- Material
- Wooden case
- from Radiomuseum.org
- Model: 21M172 Ch= 303-21 - Hoffman Radio Corp.; Los
- Shape
- Tablemodel, with any shape - general.
- Notes
-
The Hoffman model 21M172 is a 21" b/w TV with US standard VHF Tuner channels 2 thru 13. Equipped with chassis 303-21, VHF tuner 9839 or 9786 and picture tube 21AUP4A. Has Qty(2) Selenium Rectifiers .
- Literature/Schematics (1)
- Photofact Folder, Howard W. SAMS (Set 312 Folder 6 Dated 4-56)
- Author
- Model page created by Dirk Taekels. See "Data change" for further contributors.
- Other Models
-
Here you find 980 models, 219 with images and 946 with schematics for wireless sets etc. In French: TSF for Télégraphie sans fil.
All listed radios etc. from Hoffman Radio Corp.; Los Angeles, CA