21P108 Ch= 191, B
Hoffman Radio Corp.; Los Angeles, CA
- Country
- United States of America (USA)
- Manufacturer / Brand
- Hoffman Radio Corp.; Los Angeles, CA
- Year
- 1953 ?
- Category
- Television Receiver (TV) or Monitor
- Radiomuseum.org ID
- 362098
Click on the schematic thumbnail to request the schematic as a free document.
- Number of Tubes
- 24
- Valves / Tubes
- 6BK7 or 6BQ7 6J6 6CB6 6CB6 6CB6 6CB6 6AL5 6CB6 6AU6 6AU6 6AU6 6AL5 6SQ7 6K6GT 6AU6 6SN7GT 6SN7GT 6S4 6SN7GT 6BG6G 6W4GT 1B3GT 5U4G 21FP4
- Main principle
- Superhet with RF-stage
- Wave bands
- Wave Bands given in the notes.
- Power type and voltage
- Alternating Current supply (AC) / 60 Hz, 117V = 110 -120 Volt
- Loudspeaker
- Permanent Magnet Dynamic (PDyn) Loudspeaker (moving coil) / Ø 5.25 inch = 13.3 cm
- Material
- Plastics (no bakelite or catalin)
- from Radiomuseum.org
- Model: 21P108 Ch= 191, B - Hoffman Radio Corp.; Los
- Shape
- Console with any shape - in general
- Notes
-
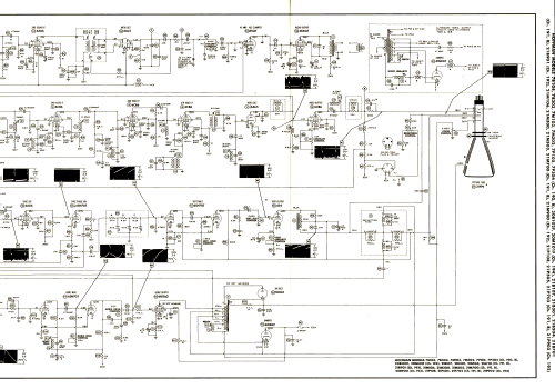
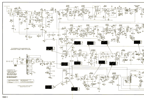
Hoffman model 21P108 is a 21” b/w TV with US standard VHF tuner channels 2 thru 13. Equipped with chassis 191, B, VHF tuner 9717 and picture tube 21FP4.
- Literature/Schematics (1)
- Photofact Folder, Howard W. SAMS (Set 201, folder 5, dated 4-53)
- Author
- Model page created by Dirk Taekels. See "Data change" for further contributors.
- Other Models
-
Here you find 977 models, 218 with images and 943 with schematics for wireless sets etc. In French: TSF for Télégraphie sans fil.
All listed radios etc. from Hoffman Radio Corp.; Los Angeles, CA