24M370U2 Ch= 413-24
Hoffman Radio Corp.; Los Angeles, CA
- Pays
- Etats-Unis
- Fabricant / Marque
- Hoffman Radio Corp.; Los Angeles, CA
- Année
- 1955 ?
- Catégorie
- Récepteur de télévision ou moniteur
- Radiomuseum.org ID
- 333288
Cliquez sur la vignette du schéma pour le demander en tant que document gratuit.
- No. de tubes
- 22
- Lampes / Tubes
- 6BQ7A 6J6 6CB6 6CB6 6CB6 6AS8 12BY7 6AN8 6AU6 6AL5 6AV6 6K6GT 6CS6 6SN7GTA 6W6GT 6AL5 6SN7GT 6CD6G 6AX4GT 1B3GT 5AU4 24CP4A
- Principe général
- Super hétérodyne avec étage HF
- Gammes d'ondes
- Bandes en notes
- Tension / type courant
- Alimentation Courant Alternatif (CA) / 60 Hz, 117V = 110 -120 Volt
- Haut-parleur
- HP dynamique à aimant permanent + bobine mobile / Ø 10 inch = 25.4 cm
- Matière
- Boitier en bois
- De Radiomuseum.org
- Modèle: 24M370U2 Ch= 413-24 - Hoffman Radio Corp.; Los
- Forme
- Console avec pieds bas < 50% de la hauteur
- Remarques
-
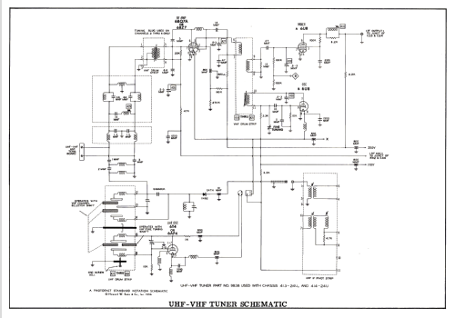
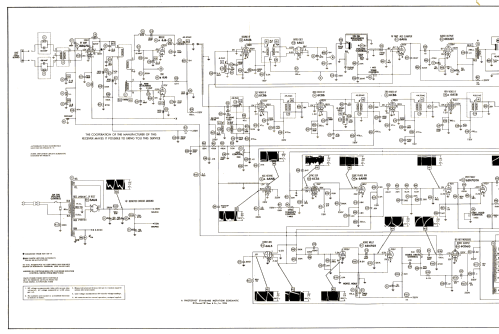
Hoffman model 24M370U2 is a 21” b/w TV with US standard VHF tuner channels 2 thru 13.
Equipped with chassis 413-24, VHF tuner 9839 and picture tube 24CP4A.
- Schémathèque (1)
- Photofact Folder, Howard W. SAMS (Set 303 Folder 4 dated 1-56)
- Auteur
- Modèle crée par Dirk Taekels. Voir les propositions de modification pour les contributeurs supplémentaires.
- D'autres Modèles
-
Vous pourrez trouver sous ce lien 977 modèles d'appareils, 218 avec des images et 943 avec des schémas.
Tous les appareils de Hoffman Radio Corp.; Los Angeles, CA