7B182P Ch= 307-17
Hoffman Radio Corp.; Los Angeles, CA
- Pays
- Etats-Unis
- Fabricant / Marque
- Hoffman Radio Corp.; Los Angeles, CA
- Année
- 1956 ?
- Catégorie
- Récepteur de télévision ou moniteur
- Radiomuseum.org ID
- 293425
Cliquez sur la vignette du schéma pour le demander en tant que document gratuit.
- No. de tubes
- 20
- Lampes / Tubes
- 6BQ7A 6J6 6CB6 6CB6 6AS8 6CB6 6AU6 6AL5 6AV6 6K6GT 12AU7A 6C4 6AQ5 6AL5 6SN7GT 6BQ6GTB or 6CU6 6AX4GT 1X2B 5U4G 21AUP4A
- Principe général
- Super hétérodyne avec étage HF
- Gammes d'ondes
- Bandes en notes
- Tension / type courant
- Alimentation Courant Alternatif (CA) / 60 cycles, 117V = 110 -120 Volt
- Haut-parleur
- HP dynamique à aimant permanent + bobine mobile
- Matière
- Boitier en bois
- De Radiomuseum.org
- Modèle: 7B182P Ch= 307-17 - Hoffman Radio Corp.; Los
- Forme
- Modèle de table générique
- Remarques
-
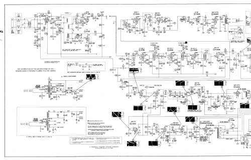
The Hoffman model 7B182P is a 21" b/w TV with US standard VHF Tuner channels 2 thru 13. Equipped with chassis 307-17, VHF tuner 9839 or 9786 and picture tube 21AUP4A.
- Schémathèque (1)
- Photofact Folder, Howard W. SAMS (Set 312 Folder 6 Dated 4-56)
- Auteur
- Modèle crée par Dirk Taekels. Voir les propositions de modification pour les contributeurs supplémentaires.
- D'autres Modèles
-
Vous pourrez trouver sous ce lien 980 modèles d'appareils, 219 avec des images et 946 avec des schémas.
Tous les appareils de Hoffman Radio Corp.; Los Angeles, CA