- País
- Estados Unidos
- Fabricante / Marca
- Hoffman Radio Corp.; Los Angeles, CA
- Año
- 1951 ?
- Categoría
- Televisión (TV) o monitor
- Radiomuseum.org ID
- 349307
Haga clic en la miniatura esquemática para solicitarlo como documento gratuito.
- Numero de valvulas
- 23
- Válvulas
- 6CB6 or 6J6 6J6 6CB6 6CB6 6CB6 6CB6 6AL5 6CB6 6AU6 6AU6 6AU6 6AL5 6SQ7 6K6GT 6AU6 6SN7GT 6BL7GT 6SN7GT 6BG6G 6W4GT 1X2A 5U4G 17BP4
- Principio principal
- Superheterodino con paso previo de RF
- Gama de ondas
- Bandas de recepción puestas en notas.
- Tensión de funcionamiento
- Red: Corriente alterna (CA, Inglés = AC) / 60 Hz, 117V = 110 -120 Volt
- Altavoz
- Altavoz dinámico. Se desconoce si a imán permanente o electroimán.
- Material
- Madera
- de Radiomuseum.org
- Modelo: 881 183 - Hoffman Radio Corp.; Los
- Forma
- Consola baja, patas más cortas del 50%.
- Anotaciones
-
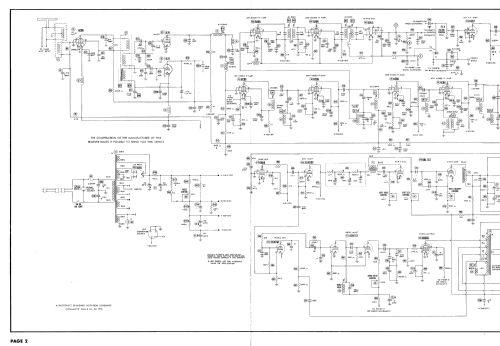
Hoffman model 881 is a 17” b/w TV with US standard VHF tuner channels 2 thru 13.
Equipped with chassis 183, phono provisions,VHF tuner 99618 or 99619 and picture tube 17BP4.
- Documentación / Esquemas (1)
- Photofact Folder, Howard W. SAMS (Set 141, folder 7, dated 8-51)
- Autor
- Modelo creado por Dirk Taekels. Ver en "Modificar Ficha" los participantes posteriores.
- Otros modelos
-
Donde encontrará 980 modelos, 219 con imágenes y 946 con esquemas.
Ir al listado general de Hoffman Radio Corp.; Los Angeles, CA