- Pays
- Etats-Unis
- Fabricant / Marque
- Hoffman Radio Corp.; Los Angeles, CA
- Année
- 1951 ?
- Catégorie
- Récepteur de télévision ou moniteur
- Radiomuseum.org ID
- 349308
Cliquez sur la vignette du schéma pour le demander en tant que document gratuit.
- No. de tubes
- 23
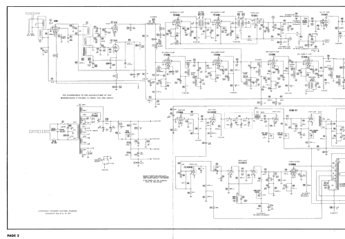
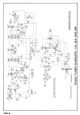
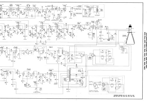
- Lampes / Tubes
- 6CB6 or 6J6 6J6 6CB6 6CB6 6CB6 6CB6 6AL5 6CB6 6AU6 6AU6 6AU6 6AL5 6SQ7 6K6GT 6AU6 6SN7GT 6BL7GT 6SN7GT 6BG6G 6W4GT 1X2A 5U4G 17BP4
- Principe général
- Super hétérodyne avec étage HF
- Gammes d'ondes
- Bandes en notes
- Tension / type courant
- Alimentation Courant Alternatif (CA) / 60 Hz, 117V = 110 -120 Volt
- Haut-parleur
- HP dynamique principe inconnu
- Matière
- Boitier en bois
- De Radiomuseum.org
- Modèle: 882 183 - Hoffman Radio Corp.; Los
- Forme
- Console avec pieds bas < 50% de la hauteur
- Remarques
-
Hoffman model 882 is a 17” b/w TV with US standard VHF tuner channels 2 thru 13.
Equipped with chassis 183, phono provisions,VHF tuner 99618 or 99619 and picture tube 17BP4.
- Schémathèque (1)
- Photofact Folder, Howard W. SAMS (Set 141, folder 7, dated 8-51)
- Auteur
- Modèle crée par Dirk Taekels. Voir les propositions de modification pour les contributeurs supplémentaires.
- D'autres Modèles
-
Vous pourrez trouver sous ce lien 980 modèles d'appareils, 219 avec des images et 946 avec des schémas.
Tous les appareils de Hoffman Radio Corp.; Los Angeles, CA