B1007 Ch= 315
Hoffman Radio Corp.; Los Angeles, CA
- Pays
- Etats-Unis
- Fabricant / Marque
- Hoffman Radio Corp.; Los Angeles, CA
- Année
- 1957 ?
- Catégorie
- Récepteur de télévision ou moniteur
- Radiomuseum.org ID
- 299319
Cliquez sur la vignette du schéma pour le demander en tant que document gratuit.
- No. de tubes
- 20
- Lampes / Tubes
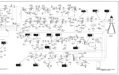
- 6BN4 6CG8 6BZ6 or 6CB6 6BZ6 or 6CB6 6AS8 6CB6 6AU6 6AL5 6AV6 6K6GT 12AU7A or 12AU7 6C4 6AQ5 6AL5 6SN7GTB or 6SN7GT 6CU6 or 6BQ6GT 6AX4GT 1X2B 5U4GB or 5U4GA 17HP4
- Principe général
- Super hétérodyne avec étage HF
- Tension / type courant
- Alimentation Courant Alternatif (CA) / 60 cycles, 117V = 110 -120 Volt
- Haut-parleur
- HP dynamique à aimant permanent + bobine mobile / Ø 4 inch = 10.2 cm
- Matière
- Boitier en bois
- De Radiomuseum.org
- Modèle: B1007 Ch= 315 - Hoffman Radio Corp.; Los
- Forme
- Modèle de table générique
- Remarques
-
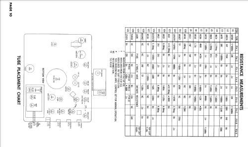
Hoffman model B1007 is a 17" b/w TV with US standard VHF tuner channels 2 thru 13. Equipped with chassis 315, VHF tuner 33705 and picture tube 17HP4.
- Schémathèque (1)
- Photofact Folder, Howard W. SAMS (Set 318 Folder 9 dated 5-56)
- Schémathèque (2)
- Photofact Folder, Howard W. SAMS (Set 366 Folder 4 dated 8-57)
- Auteur
- Modèle crée par Dirk Taekels. Voir les propositions de modification pour les contributeurs supplémentaires.
- D'autres Modèles
-
Vous pourrez trouver sous ce lien 980 modèles d'appareils, 219 avec des images et 946 avec des schémas.
Tous les appareils de Hoffman Radio Corp.; Los Angeles, CA