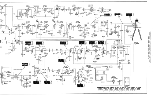
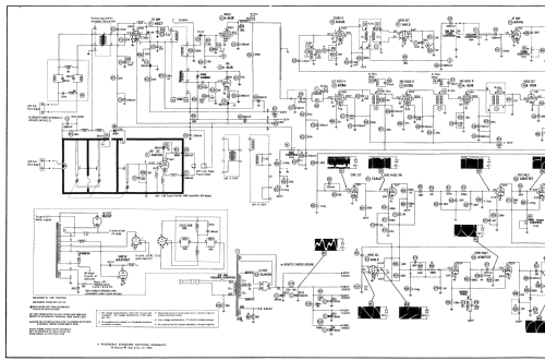
P3001 Ch= 316
Hoffman Radio Corp.; Los Angeles, CA
- Land
- USA
- Hersteller / Marke
- Hoffman Radio Corp.; Los Angeles, CA
- Jahr
- 1956 ?
- Kategorie
- Fernseh-Empfänger/Monitor
- Radiomuseum.org ID
- 308874
Klicken Sie auf den Schaltplanausschnitt, um diesen kostenlos als Dokument anzufordern.
- Anzahl Röhren
- 20
- Röhren
- 6BQ7A 6AT8 6CB6 6CB6 6U8 12BY7 6AU6 6AL5 6AV6 6K6GT 12AU7 6SN7GT 6W6GT 6AL5 6SN7GT 6CU6GT 6AX4GT 1B3GT 5U4GB 24DP4A
- Hauptprinzip
- Super mit HF-Vorstufe
- Wellenbereiche
- Wellen in den Bemerkungen.
- Betriebsart / Volt
- Wechselstromspeisung / 60 Hz, 117V = 110 -120 Volt
- Lautsprecher
- Dynamischer LS, keine Erregerspule (permanentdynamisch)
- Material
- Gerät mit Holzgehäuse
- von Radiomuseum.org
- Modell: P3001 Ch= 316 - Hoffman Radio Corp.; Los
- Form
- Tischmodell, Zusatz nicht bekannt - allgemein.
- Bemerkung
-
Hoffman model P3001 is a 24" b/w TV with US standard VHF tuner channels 2 thru 13. Equipped with chassis 316, VHF tuner 9885 and picture tube 24DP4A.
- Literatur/Schema (1)
- Photofact Folder, Howard W. SAMS (Set 328 Folder 6 dated 9-56)
- Autor
- Modellseite von Dirk Taekels angelegt. Siehe bei "Änderungsvorschlag" für weitere Mitarbeit.
- Weitere Modelle
-
Hier finden Sie 977 Modelle, davon 218 mit Bildern und 943 mit Schaltbildern.
Alle gelisteten Radios usw. von Hoffman Radio Corp.; Los Angeles, CA