- Country
- United States of America (USA)
- Manufacturer / Brand
- Hudson Radio & Electric Co.; New York City, New York
- Year
- 1952 ?
- Category
- Broadcast Receiver - or past WW2 Tuner
- Radiomuseum.org ID
- 359283
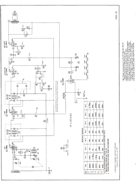
Click on the schematic thumbnail to request the schematic as a free document.
- Number of Tubes
- 5
- Main principle
- Superheterodyne (common); ZF/IF 455 kHz
- Wave bands
- Broadcast only (MW).
- Details
- Record Player (not changer)
- Power type and voltage
- Alternating Current supply (AC) / 60Hz, 117V=110-120 Volt
- Loudspeaker
- Permanent Magnet Dynamic (PDyn) Loudspeaker (moving coil) / Ø 5 inch = 12.7 cm
- Material
- Various materials
- from Radiomuseum.org
- Model: RPM71 - Hudson Radio & Electric Co.;
- Shape
- Tablemodel, with any shape - general.
- Notes
-
Hudson Electronics model RPM71 is an AC operated AM-phono superheterodyne receiver with 3 speed manual record player.
- Literature/Schematics (1)
- Photofact Folder, Howard W. SAMS (Set 186, folder 6, dated 11-52)
- Author
- Model page created by Dirk Taekels. See "Data change" for further contributors.
- Other Models
-
Here you find 2 models, 2 with images and 1 with schematics for wireless sets etc. In French: TSF for Télégraphie sans fil.
All listed radios etc. from Hudson Radio & Electric Co.; New York City, New York