Glimmlicht Gleichrichter
Hydrawerk, Elektrizitäts-AG (EAG), Hydra Components; Berlin
- Paese
- Germania
- Produttore / Marca
- Hydrawerk, Elektrizitäts-AG (EAG), Hydra Components; Berlin
- Anno
- 1924 ??
- Categoria
- Alimentatore/stabilizzatore di alimentazione o batteria o caricabatterie
- Radiomuseum.org ID
- 162418
Clicca sulla miniatura dello schema per richiederlo come documento gratuito.
- Numero di tubi
- 1
- Valvole
- Glimm-Gl._110V
- Gamme d'onda
- - senza
- Particolarità
- Alimentatore: carica batterie
- Tensioni di funzionamento
- Alimentazione a corrente alternata (CA) / 110; 220 Volt
- Altoparlante
- - - Nessuna uscita audio.
- Materiali
- Mobile di metallo
- Radiomuseum.org
- Modello: Glimmlicht Gleichrichter - Hydrawerk, Elektrizitäts-AG
- Forma
- Diverse forme (descritte nelle note).
- Annotazioni
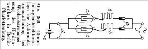
- Glimmlicht-Gleichrichter zum Laden von Akkumulatoren.
Wandhängendes Gerät.
Die Anzahl der verwendeten Röhren hängt vom Ladestrom ab. Je Röhre sind 0,2A zulässig, d.h. bei einem Ladestrom von 1A müssen 5 Stück parallel geschaltet werden. Dabei ist für jede Röhre eine separate Sicherung und ein Vorwiderstand notwendig.
Geräte wurden für 110V oder 220V gefertgt.
- Letteratura / Schemi (1)
- Spreen, W., Stromquellen für den Röhrenempfang, 1924
- Autore
- Modello inviato da un iscritto da D. Utilizzare "Proponi modifica" per inviare ulteriori dati.
- Altri modelli
-
In questo link sono elencati 23 modelli, di cui 21 con immagini e 5 con schemi.
Elenco delle radio e altri apparecchi della Hydrawerk, Elektrizitäts-AG (EAG), Hydra Components; Berlin