FM Transceiver IC-V68
Icom, Inoue Communication Equipment Corp.; Osaka
- Pays
- Japon
- Fabricant / Marque
- Icom, Inoue Communication Equipment Corp.; Osaka
- Année
- 1994 ?
- Catégorie
- Emetteur/récepteur (TRX) amateur (et transceiver)
- Radiomuseum.org ID
- 235660
-
- alternative name: INOUE COMM. E. CORP
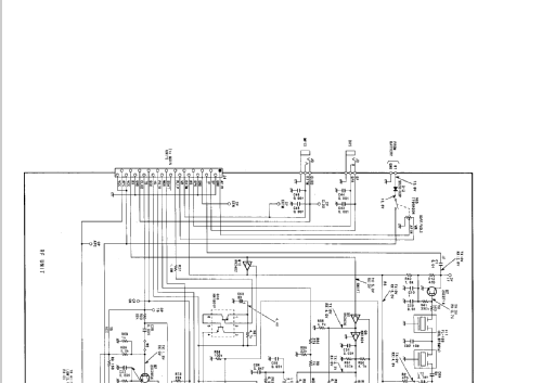
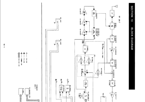
Cliquez sur la vignette du schéma pour le demander en tant que document gratuit.
- No. de transistors
- Semi-conducteurs présents
- Semi-conducteurs
- Principe général
- Transceiver (poste récepteur/émetteur combiné)
- Gammes d'ondes
- VHF/UHF (voir details en note)
- Tension / type courant
- Batteries / Alim. BT séparée avec fiche / 6 x 1,5 / 12 Volt
- Haut-parleur
- HP dynamique à aimant permanent + bobine mobile
- Matière
- Boitier métallique
- De Radiomuseum.org
- Modèle: FM Transceiver IC-V68 - Icom, Inoue Communication
- Forme
- Portable, appareil de poche. Taille < 20cm
- Dimensions (LHP)
- 60 x 150 x 50 mm / 2.4 x 5.9 x 2 inch
- Remarques
-
Operativo in VHF da 136,000 MHz a 160,000 MHz sia in trasmissione che in ricezione.
Da 136,000 a 150,000 MHz potenza di trasmissione 5 W
Da 150,000 a 160,000 MHz potenza di trasmissione 3 W
- Auteur
- Modèle crée par Antonio Bordini. Voir les propositions de modification pour les contributeurs supplémentaires.
- D'autres Modèles
-
Vous pourrez trouver sous ce lien 316 modèles d'appareils, 211 avec des images et 141 avec des schémas.
Tous les appareils de Icom, Inoue Communication Equipment Corp.; Osaka
Collections
Le modèle FM Transceiver fait partie des collections des membres suivants.