- Pays
- Japon
- Fabricant / Marque
- Icom, Inoue Communication Equipment Corp.; Osaka
- Année
- 1976
- Catégorie
- Emetteur/récepteur (TRX) amateur (et transceiver)
- Radiomuseum.org ID
- 72753
-
- alternative name: INOUE COMM. E. CORP
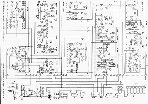
Cliquez sur la vignette du schéma pour le demander en tant que document gratuit.
- No. de transistors
- 39
- Semi-conducteurs
- Principe général
- Transceiver (poste récepteur/émetteur combiné); FI/IF 10700/455 kHz
- Gammes d'ondes
- Bandes en notes
- Tension / type courant
- Batteries / Alim. BT séparée avec fiche / UM2: 9 x 1.5 or NiCd: 10 x 1.2 / DC 13.8 Volt
- Haut-parleur
- HP dynamique à aimant permanent + bobine mobile / Ø 2 inch = 5.1 cm
- Puissance de sortie
- 1 W (qualité inconnue)
- Matière
- Boitier métallique
- De Radiomuseum.org
- Modèle: IC-215 - Icom, Inoue Communication
- Forme
- Portative > 20 cm (sans nécessité secteur)
- Dimensions (LHP)
- 2.4 x 7.2 x 6.4 inch / 61 x 183 x 163 mm
- Remarques
-
ICOM Portable-VHF-FM-Transceiver IC-215.
Range: 15 xtal channels within 144-146 MHz; Pout: 3 W/0.5 W.Can be equipped with 1.2 V NiCd rechargeable accus after installation of the charger module BC-20.
- Poids net
- 1.9 kg / 4 lb 3 oz (4.185 lb)
- Prix de mise sur le marché
- 695.00 DM
- Source
- -- Original-techn. papers.
- Auteur
- Modèle crée par Egon Penker. Voir les propositions de modification pour les contributeurs supplémentaires.
- D'autres Modèles
-
Vous pourrez trouver sous ce lien 316 modèles d'appareils, 211 avec des images et 137 avec des schémas.
Tous les appareils de Icom, Inoue Communication Equipment Corp.; Osaka
Collections
Le modèle fait partie des collections des membres suivants.