RC-600a
Ingra; Barcelona
- País
- España
- Fabricante / Marca
- Ingra; Barcelona
- Año
- 1977 ??
- Categoría
- Radio - o Sintonizador pasado WW2
- Radiomuseum.org ID
- 319399
Haga clic en la miniatura esquemática para solicitarlo como documento gratuito.
- Numero de transistores
- 28
- Semiconductores
- BC149 BC148 MC150 BD136 BC159 BC135 BF194 BF195 BF197 TBA820 BAV54 SFD112 SZ102 AA119 B30C350 BA102
- Principio principal
- Superheterodino en general
- Gama de ondas
- OM y FM
- Especialidades
- Grabador y/o Reprod de cassetes
- Tensión de funcionamiento
- Red / Baterías o pilas / 115-240; C: 6 x 1,5; 12 Volt
- Altavoz
- Altavoz dinámico (de imán permanente) / Ø 4.5 inch = 11.4 cm
- Material
- Plástico moderno (Nunca bakelita o catalina)
- de Radiomuseum.org
- Modelo: RC-600a - Ingra; Barcelona
- Forma
- Portátil > 20 cm (sin la necesidad de una red)
- Ancho, altura, profundidad
- 320 x 200 x 80 mm / 12.6 x 7.9 x 3.1 inch
- Anotaciones
-
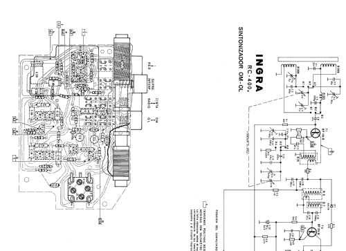
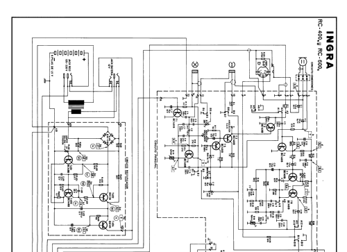
INGRA (Industria de Grabación y Reproducción Acústica), RC-600a
Semiconductores listados una vez por tipo.
El manual subido es común al modelo RC-400a.
- Peso neto
- 3 kg / 6 lb 9.7 oz (6.608 lb)
- Documentación / Esquemas (1)
- -- Original-techn. papers.
- Autor
- Modelo creado por Miguel Bravo-Cos. Ver en "Modificar Ficha" los participantes posteriores.
- Otros modelos
-
Donde encontrará 67 modelos, 63 con imágenes y 36 con esquemas.
Ir al listado general de Ingra; Barcelona