Radio Recorder RC1001 / 53312511
ITT Schaub-Lorenz
- Country
- Germany
- Manufacturer / Brand
- ITT Schaub-Lorenz
- Year
- 1974–1978
- Category
- Broadcast Receiver - or past WW2 Tuner
- Radiomuseum.org ID
- 82817
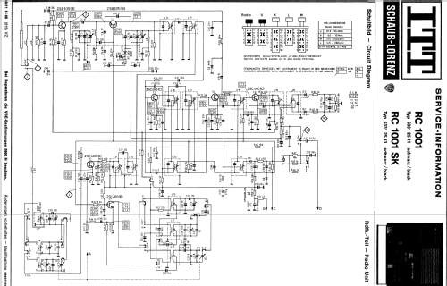
Click on the schematic thumbnail to request the schematic as a free document.
- Number of Transistors
- 23
- Semiconductors
- Main principle
- Superheterodyne (common); ZF/IF 455/10700 kHz
- Tuned circuits
- 6 AM circuit(s) 10 FM circuit(s)
- Wave bands
- Broadcast, Long Wave, Short Wave plus FM or UHF.
- Details
- Cassette-Recorder or -Player
- Power type and voltage
- Line / Storage batteries (perhaps also batteries) / 110-130; 220-240 / 5 × 1,5 / dryfit 6 Volt
- Loudspeaker
- Permanent Magnet Dynamic (PDyn) Loudspeaker (moving coil) - elliptical
- Power out
- 2 W (unknown quality)
- Material
- Plastics (no bakelite or catalin)
- from Radiomuseum.org
- Model: Radio Recorder RC1001 / 53312511 - ITT Schaub-Lorenz
- Shape
- Portable set > 8 inch (also usable without mains)
- Dimensions (WHD)
- 294 x 79 x 264 mm / 11.6 x 3.1 x 10.4 inch
- Notes
- ITT Schaub-Lorenz RC 1001 für Batterie/Netz oder Akku-Betrieb, eingebautes Mikrophon, Ausführung: schwarz. Verkauf über die Weltfunk anlässlich der Funkausstellung 1975
- Net weight (2.2 lb = 1 kg)
- 3.6 kg / 7 lb 14.9 oz (7.93 lb)
- Source of data
- Handbuch VDRG 1977/1978 / Radiokatalog Band 2, Ernst Erb
- Literature/Schematics (1)
- -- Original-techn. papers.
- Author
- Model page created by Wolfgang Bauer. See "Data change" for further contributors.
- Other Models
-
Here you find 777 models, 714 with images and 376 with schematics for wireless sets etc. In French: TSF for Télégraphie sans fil.
All listed radios etc. from ITT Schaub-Lorenz
Collections
The model Radio Recorder is part of the collections of the following members.