GOLF automatic 103 52140451
ITT Schaub-Lorenz Wien
- País
- Austria
- Fabricante / Marca
- ITT Schaub-Lorenz Wien
- Año
- 1975 ??
- Categoría
- Radio - o Sintonizador pasado WW2
- Radiomuseum.org ID
- 82426
Haga clic en la miniatura esquemática para solicitarlo como documento gratuito.
- Numero de transistores
- 10
- Semiconductores
- Principio principal
- Superheterodino en general; ZF/IF 460/10700 kHz; 4 Etapas de AF
- Número de circuitos sintonía
- 6 Circuíto(s) AM 9 Circuíto(s) FM
- Gama de ondas
- OM, OL, OC y FM
- Tensión de funcionamiento
- Red / Baterías o pilas / 220-240 / 6 x 1,5 Volt
- Altavoz
- Altavoz elíptico de imán permanente.
- Potencia de salida
- 2 W (unknown quality)
- Material
- Plástico moderno (Nunca bakelita o catalina)
- de Radiomuseum.org
- Modelo: GOLF automatic 103 52140451 - ITT Schaub-Lorenz Wien
- Forma
- Portátil > 20 cm (sin la necesidad de una red)
- Ancho, altura, profundidad
- 317 x 192 x 77 mm / 12.5 x 7.6 x 3 inch
- Peso neto
- 2.6 kg / 5 lb 11.6 oz (5.727 lb)
- Procedencia de los datos
- Radiokatalog Band 2, Ernst Erb
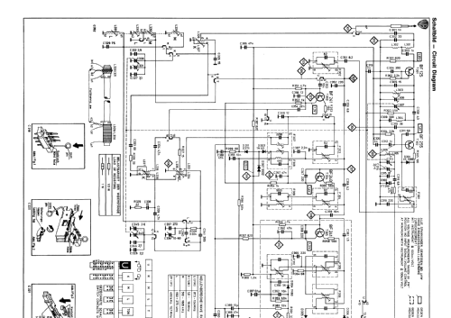
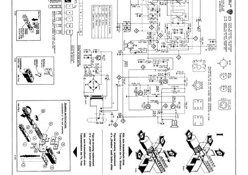
- Documentación / Esquemas (1)
- -- Original-techn. papers.
- Autor
- Modelo creado por Wolfgang Bauer. Ver en "Modificar Ficha" los participantes posteriores.
- Otros modelos
- 
        Donde encontrará 30 modelos, 29 con imágenes y 24 con esquemas. 
 Ir al listado general de ITT Schaub-Lorenz Wien
Colecciones
El modelo GOLF automatic 103 es parte de las colecciones de los siguientes miembros.
 
                
                
                
                
                
                
                
                
                
                
                
               