Synchrocompact 107 52410433=rot
ITT Schaub-Lorenz
- Country
- Germany
- Manufacturer / Brand
- ITT Schaub-Lorenz
- Year
- 1976–1978
- Category
- Broadcast Receiver - or past WW2 Tuner
- Radiomuseum.org ID
- 75940
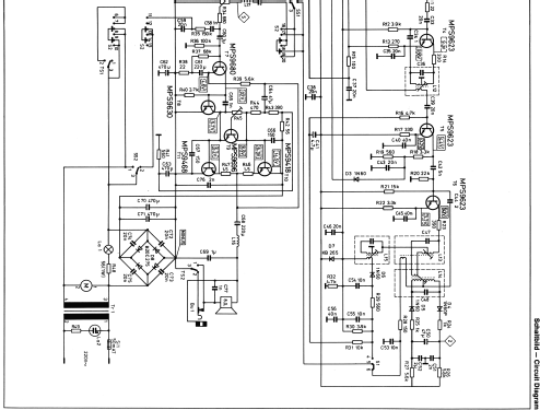
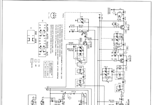
Click on the schematic thumbnail to request the schematic as a free document.
- Number of Transistors
- 11
- Semiconductors
- Main principle
- Superheterodyne (common); ZF/IF 455/10700 kHz; 1 AF stage(s)
- Tuned circuits
- 5 AM circuit(s) 7 FM circuit(s)
- Wave bands
- Broadcast (BC) and FM or UHF.
- Power type and voltage
- Alternating Current supply (AC) / 220 Volt
- Loudspeaker
- Permanent Magnet Dynamic (PDyn) Loudspeaker (moving coil) - elliptical
- Power out
- 1 W (unknown quality)
- Material
- Plastics (no bakelite or catalin)
- from Radiomuseum.org
- Model: Synchrocompact 107 [52410433=rot] - ITT Schaub-Lorenz
- Shape
- Tablemodel with Clock ((Alarm-) Clock Radio).
- Dimensions (WHD)
- 190 x 160 x 155 mm / 7.5 x 6.3 x 6.1 inch
- Notes
- Farbvarianten: 52410431=beige, 52410437=weiss, 52410433=rot.
- Net weight (2.2 lb = 1 kg)
- 1.7 kg / 3 lb 11.9 oz (3.744 lb)
- Source of data
- Handbuch VDRG 1976/1977 / Radiokatalog Band 2, Ernst Erb
- Literature/Schematics (1)
- -- Original-techn. papers.
- Author
- Model page created by Bernd Pötzsch. See "Data change" for further contributors.
- Other Models
-
Here you find 777 models, 714 with images and 376 with schematics for wireless sets etc. In French: TSF for Télégraphie sans fil.
All listed radios etc. from ITT Schaub-Lorenz