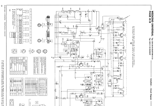
Weekend Universal 521504
ITT Schaub-Lorenz
- Hersteller / Marke
- ITT Schaub-Lorenz
- Jahr
- 1967/1968
- Kategorie
- Rundfunkempfänger (Radio - oder Tuner nach WW2)
- Radiomuseum.org ID
- 117998
Klicken Sie auf den Schaltplanausschnitt, um diesen kostenlos als Dokument anzufordern.
- Anzahl Transistoren
- 9
- Halbleiter
- Hauptprinzip
- Superhet allgemein; ZF/IF 460/10700 kHz; 3 NF-Stufe(n)
- Anzahl Kreise
- 7 Kreis(e) AM 11 Kreis(e) FM
- Wellenbereiche
- Langwelle, Mittelwelle, Kurzwelle und UKW.
- Betriebsart / Volt
- Trockenbatterien / 4 × 1,5 Volt
- Lautsprecher
- Dynamischer (permanent) Ovallautsprecher
- Belastbarkeit / Leistung
- 1 W (Qualität unbekannt)
Die GFGF Zeitschrift Funkgeschichte bringt interessante Artikel zu Radios, Funkwesen und Medien. Bei Radiomuseum.org finden Sie die vollständigen Hefte früherer Ausgaben als PDF zum Download.
- von Radiomuseum.org
- Modell: Weekend Universal 521504 - ITT Schaub-Lorenz
- Form
- Reisegerät > 20 cm (netzunabhängig betreibbar)
- Abmessungen (BHT)
- 280 x 170 x 80 mm / 11 x 6.7 x 3.1 inch
- Bemerkung
- Suffix 01 = anthrazit, 05 = royalblau, 07 = weinrot, 09 = dunkelgrün, 11 = hellgrau, 13 = Dekor Nussbaum. Getrennte Abstimmung der AM/FM Bereiche, Koax Eingang für Autobetrieb, Eingang für TB/Plattenspieler, Skalenbeleuchtung, Anschluß für ext. Netzgerät in der Bodenplatte, Kopfhöreranschluß über Klinkenbuchse (3,5 mm), 7 tlg. schwenkbare Teleskopantenne (90 cm), Ferritantenne (20 cm), getrennte Höhen/Tiefen Regler, Ovallautsprecher 9,5 x 15 cm
- Nettogewicht
- 2.5 kg / 5 lb 8.1 oz (5.507 lb)
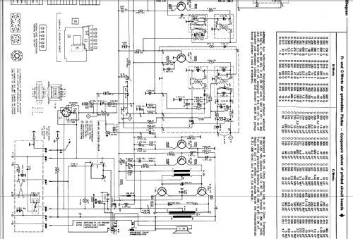
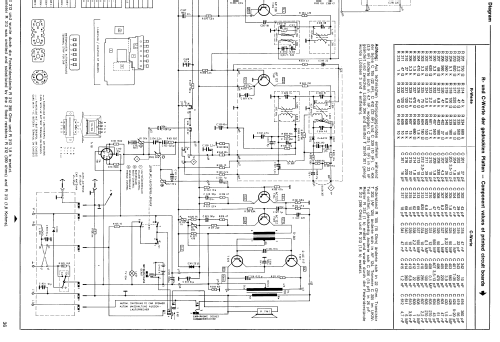
- Literatur/Schema (1)
- -- Original-techn. papers.
- Autor
- Modellseite von Pius Steiner angelegt. Siehe bei "Änderungsvorschlag" für weitere Mitarbeit.
- Weitere Modelle
-
Hier finden Sie 777 Modelle, davon 714 mit Bildern und 376 mit Schaltbildern.
Alle gelisteten Radios usw. von ITT Schaub-Lorenz
Sammlungen
Das Modell Weekend Universal befindet sich in den Sammlungen folgender Mitglieder.