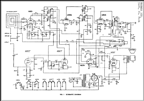
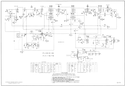
350 Ch= FA8A
Jackson Industries
- Land
- USA
- Hersteller / Marke
- Jackson Industries
- Jahr
- 1951 ?
- Kategorie
- Rundfunkempfänger (Radio - oder Tuner nach WW2)
- Radiomuseum.org ID
- 45171
Klicken Sie auf den Schaltplanausschnitt, um diesen kostenlos als Dokument anzufordern.
- Anzahl Röhren
- 8
- Hauptprinzip
- Super mit HF-Vorstufe; ZF/IF 455/10700 kHz
- Wellenbereiche
- Mittelwelle und UKW (FM).
- Spezialitäten
- Plattenspieler (oder Wechsler)
- Betriebsart / Volt
- Wechselstromspeisung / 60 Hz, 117V = 110 -120 Volt
- Lautsprecher
- Dynamischer LS, keine Erregerspule (permanentdynamisch)
- Material
- Gerät mit Holzgehäuse
- von Radiomuseum.org
- Modell: 350 Ch= FA8A - Jackson Industries
- Form
- Standgerät auf niedrigen Beinen (Beine < 50 % der Gesamthöhe).
- Bemerkung
-
Jackson model 350 is an AC operated combination phono-radio, AM-FM superheterodyne receiver.
- Datenherkunft extern
- Ernst Erb
- Datenherkunft
- Collector's Guide to Antique Radios 4. Edition
- Schaltungsnachweis
- Rider's Perpetual, Volume 22, covering 1951
- Literaturnachweis
- The Radio Collector's Directory and Price Guide 1921 - 1965
- Literatur/Schema (1)
- Photofact Folder, Howard W. SAMS (Set 131, Folder 9, Date 5-1951)
- Weitere Modelle
-
Hier finden Sie 61 Modelle, davon 16 mit Bildern und 58 mit Schaltbildern.
Alle gelisteten Radios usw. von Jackson Industries