JP-200
Jackson Industries
- País
- Estados Unidos
- Fabricante / Marca
- Jackson Industries
- Año
- 1952 ?
- Categoría
- Radio - o Sintonizador pasado WW2
- Radiomuseum.org ID
- 356042
Haga clic en la miniatura esquemática para solicitarlo como documento gratuito.
- Numero de valvulas
- 5
- Principio principal
- Superheterodino en general; ZF/IF 455 kHz; 2 Etapas de AF
- Número de circuitos sintonía
- 6 Circuíto(s) AM
- Gama de ondas
- OM (onda media) solamente
- Especialidades
- Tocadiscos (sin cambiador autom)
- Tensión de funcionamiento
- Red: Corriente alterna (CA, Inglés = AC) / 60Hz, 117V=110-120 Volt
- Altavoz
- Altavoz dinámico (de imán permanente) / Ø 5 inch = 12.7 cm
- Material
- Materiales diversos
- de Radiomuseum.org
- Modelo: JP-200 - Jackson Industries
- Forma
- Sobremesa de cualquier forma, detalles no conocidos.
- Anotaciones
-
Jackson model JP-200 is an AC operated radio - phono combination superheterodyne receiver.
- Documentación / Esquemas (1)
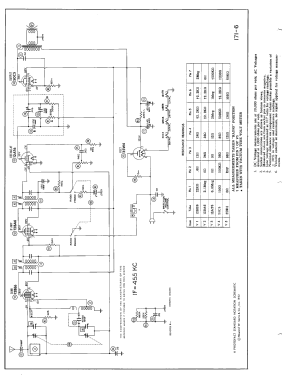
- Photofact Folder, Howard W. SAMS (Set 171, folder 6, dated 6-52)
- Autor
- Modelo creado por Dirk Taekels. Ver en "Modificar Ficha" los participantes posteriores.
- Otros modelos
-
Donde encontrará 61 modelos, 16 con imágenes y 58 con esquemas.
Ir al listado general de Jackson Industries