Nivico 5003
JVC - Victor Company of Japan, Ltd.; Tokyo
- Paese
- Giappone
- Produttore / Marca
- JVC - Victor Company of Japan, Ltd.; Tokyo
- Anno
- 1968 ?
- Categoria
- Radio (o sintonizzatore del dopoguerra WW2)
- Radiomuseum.org ID
- 150931
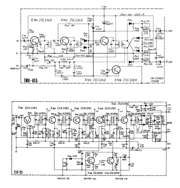
Clicca sulla miniatura dello schema per richiederlo come documento gratuito.
- Numero di transistor
- A semiconduttori.
- Principio generale
- Supereterodina (in generale)
- Gamme d'onda
- Onde medie (OM) e MF (FM).
- Tensioni di funzionamento
- Alimentazione a corrente alternata (CA) / 110-240 Volt
- Altoparlante
- - Questo apparecchio richiede altoparlante/i esterno/i.
- Potenza d'uscita
- 48 W (qualità ignota)
- Materiali
- Mobile in legno
- Radiomuseum.org
- Modello: Nivico 5003 - JVC - Victor Company of Japan,
- Forma
- Apparecchio per ripiani a scaffale (come i componibili HiFi).
- Dimensioni (LxAxP)
- 20.75 x 5 x 15 inch / 527 x 127 x 381 mm
- Annotazioni
- AM/FM-Stereo Receiver mit 5-Band-Graphic-Equalizer. 2 x 24 Watt Sinus an 8 Ohm. Analog VU-Meter.
- Peso netto
- 13 kg / 28 lb 10.1 oz (28.634 lb)
- Fonte dei dati
- -- Collector info (Sammler)
- Autore
- Modello inviato da Franz Scharner. Utilizzare "Proponi modifica" per inviare ulteriori dati.
- Altri modelli
-
In questo link sono elencati 998 modelli, di cui 881 con immagini e 147 con schemi.
Elenco delle radio e altri apparecchi della JVC - Victor Company of Japan, Ltd.; Tokyo