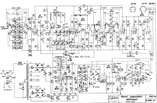
Miernik Znieksztalcen Nielinionowych - Klirrfaktormesser - Distortion Meter PMZ-8a
Kabid - Zopan; Warszawa
- Pays
- Pologne
- Fabricant / Marque
- Kabid - Zopan; Warszawa
- Année
- 1975 ?
- Catégorie
- Appareils de mesure et de dépannage (matériel de labo)
- Radiomuseum.org ID
- 364163
Cliquez sur la vignette du schéma pour le demander en tant que document gratuit.
- No. de tubes
- 8
- Gammes d'ondes
- Bandes en notes
- Tension / type courant
- Alimentation Courant Alternatif (CA) / 110/220 Volt
- Haut-parleur
- - - Pas de sortie basse fréquence
- Matière
- Boitier métallique
- De Radiomuseum.org
- Modèle: Miernik Znieksztalcen Nielinionowych - Klirrfaktormesser - Distortion Meter PMZ-8a - Kabid - Zopan; Warszawa
- Forme
- Rack
- Dimensions (LHP)
- 440 x 175 x 367 mm / 17.3 x 6.9 x 14.4 inch
- Remarques
-
20 Hz - 20 kHz in 3 Bereichen, Freqenzgenauigkeit +-1%, Filter schaltbar,
Klirrfaktor-Meßbereiche 0,3% - 100% in 6 Bereichen, Genauigkeit +-3% FSO,
Eingangsspannung 100mV - 300V in .. Bereichen an 1 MOhm//45pF, Messbereiche 300µV - 300V FSO
- Poids net
- 16 kg / 35 lb 3.9 oz (35.242 lb)
- Auteur
- Modèle crée par Horst Bathke. Voir les propositions de modification pour les contributeurs supplémentaires.
- D'autres Modèles
-
Vous pourrez trouver sous ce lien 17 modèles d'appareils, 17 avec des images et 9 avec des schémas.
Tous les appareils de Kabid - Zopan; Warszawa
Collections
Le modèle Miernik Znieksztalcen Nielinionowych - Klirrfaktormesser - Distortion Meter fait partie des collections des membres suivants.