- Pays
- Allemagne
- Fabricant / Marque
- Kaiser KG, W. bzw. Kaiser-Werke Gebr. Kaiser; Kenzingen bzw. Villingen etc.
- Année
- 1965/1966
- Catégorie
- Récepteur de télévision ou moniteur
- Radiomuseum.org ID
- 110925
Cliquez sur la vignette du schéma pour le demander en tant que document gratuit.
- No. de tubes
- 16
- No. de transistors
- 2
- Semi-conducteurs
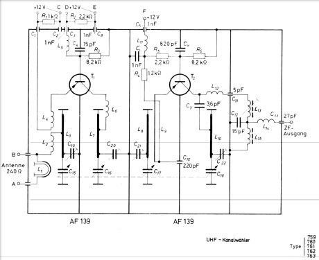
- AF139
- Principe général
- Super hétérodyne (en général)
- Gammes d'ondes
- Bandes en notes
- Particularités
- Télécommande par HF ou fil
- Tension / type courant
- Alimentation Courant Alternatif (CA) / 220 Volt
- Haut-parleur
- HP dynamique oval à aimant permanent
- Matière
- Boitier en bois
- De Radiomuseum.org
- Modèle: KFS759 - Kaiser KG, W. bzw. Kaiser-
- Forme
- Modèle de table avec boutons poussoirs.
- Dimensions (LHP)
- 720 x 520 x 360 mm / 28.3 x 20.5 x 14.2 inch
- Remarques
- VHF/UHF.
- Poids net
- 31 kg / 68 lb 4.5 oz (68.282 lb)
- Source
- Handbuch VDRG 1965/1966
- Auteur
- Modèle crée par Bernd P. Kieck. Voir les propositions de modification pour les contributeurs supplémentaires.
- D'autres Modèles
-
Vous pourrez trouver sous ce lien 190 modèles d'appareils, 135 avec des images et 108 avec des schémas.
Tous les appareils de Kaiser KG, W. bzw. Kaiser-Werke Gebr. Kaiser; Kenzingen bzw. Villingen etc.