Osciloscopio KO-121
Kentel Electrónica Didáctica (brand), Distesa; Madrid, Barcelona
- Land
- Spanien / Spain
- Hersteller / Marke
- Kentel Electrónica Didáctica (brand), Distesa; Madrid, Barcelona
- Jahr
- 1972 ?
- Kategorie
- Service- oder Labor-Ausrüstung
- Radiomuseum.org ID
- 315673
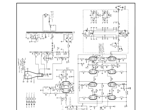
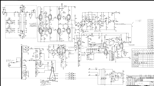
Klicken Sie auf den Schaltplanausschnitt, um diesen kostenlos als Dokument anzufordern.
- Anzahl Röhren
- 8
- Anzahl Transistoren
- 9
- Wellenbereiche
- - ohne
- Betriebsart / Volt
- Wechselstromspeisung / 125; 220 Volt
- Lautsprecher
- - - Kein Ausgang für Schallwiedergabe.
- von Radiomuseum.org
- Modell: Osciloscopio KO-121 - Kentel Electrónica Didáctica
- Bemerkung
-
Kentel, Electrónica Didáctica (Distesa), Osciloscopio KO-121
- Literatur/Schema (1)
- -- Schematic
- Autor
- Modellseite von Miguel Bravo-Cos angelegt. Siehe bei "Änderungsvorschlag" für weitere Mitarbeit.
- Weitere Modelle
-
Hier finden Sie 6 Modelle, davon 4 mit Bildern und 4 mit Schaltbildern.
Alle gelisteten Radios usw. von Kentel Electrónica Didáctica (brand), Distesa; Madrid, Barcelona