Digital Multimeter KD-55C
Kingdom, Kwang Duk Moolsan Co. Ltd.; Seoul
- Pays
- Corée du Sud
- Fabricant / Marque
- Kingdom, Kwang Duk Moolsan Co. Ltd.; Seoul
- Année
- 1984 ??
- Catégorie
- Appareils de mesure et de dépannage (matériel de labo)
- Radiomuseum.org ID
- 346201
Cliquez sur la vignette du schéma pour le demander en tant que document gratuit.
- No. de transistors
- 1
- Semi-conducteurs
- unknown_tr unknown_IC
- Gammes d'ondes
- - sans
- Tension / type courant
- Piles sèches / PP3: 1 x 9 Volt
- Haut-parleur
- - - Pas de sortie basse fréquence
- Matière
- Plastique moderne (pas de bakélite, ni de catalin)
- De Radiomuseum.org
- Modèle: Digital Multimeter KD-55C - Kingdom, Kwang Duk Moolsan Co.
- Forme
- Portable, appareil de poche. Taille < 20cm
- Dimensions (LHP)
- 95 x 41 x 165 mm / 3.7 x 1.6 x 6.5 inch
- Remarques
-
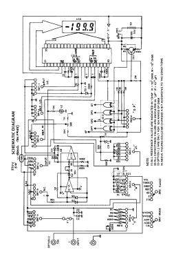
Kingdom, Digital Multimeter KD-55C
10 MΩ input Z
3-½ digit LCD display.
10 A range AC/DC
- Poids net
- 0.580 kg / 1 lb 4.4 oz (1.278 lb)
- Schémathèque (1)
- -- Original-techn. papers.
- Auteur
- Modèle crée par Miguel Bravo-Cos. Voir les propositions de modification pour les contributeurs supplémentaires.
- D'autres Modèles
-
Vous pourrez trouver sous ce lien 14 modèles d'appareils, 4 avec des images et 6 avec des schémas.
Tous les appareils de Kingdom, Kwang Duk Moolsan Co. Ltd.; Seoul