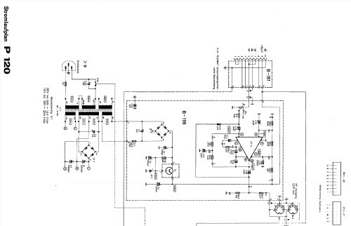
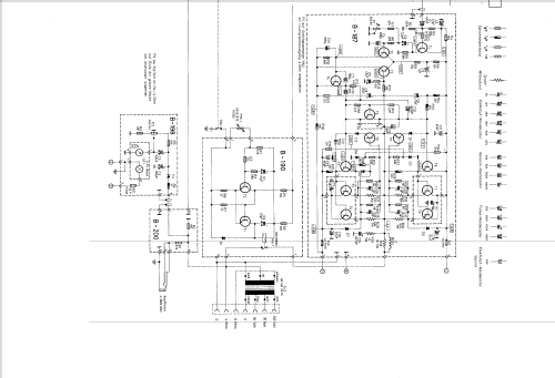
Telewatt Mono-Endverstärker P 120
Klein & Hummel; Stuttgart-Kemnat (Marke: K+H, Telewatt, Schwabenradio)
- Country
- Germany
- Manufacturer / Brand
- Klein & Hummel; Stuttgart-Kemnat (Marke: K+H, Telewatt, Schwabenradio)
- Year
- 1980 ?
- Category
- Audio Amplifier or -mixer
- Radiomuseum.org ID
- 126946
Click on the schematic thumbnail to request the schematic as a free document.
- Number of Transistors
- Semiconductors present.
- Semiconductors
- Main principle
- Audio-Amplification
- Wave bands
- - without
- Power type and voltage
- Alternating Current supply (AC) / 220 Volt
- Loudspeaker
- - This model requires external speaker(s).
- Power out
- 120 W (unknown quality)
- Material
- Metal case
- from Radiomuseum.org
- Model: Telewatt Mono-Endverstärker P 120 - Klein & Hummel; Stuttgart-
- Shape
- Book-shelf unit.
- Dimensions (WHD)
- 442 x 132 x 343 mm / 17.4 x 5.2 x 13.5 inch
- Notes
- 160 Watt Musikleistung, 120 Watt Sinusleistung, 100-V-Übertrager eingebaut.
- Mentioned in
- Funkschau (3.1980)
- Author
- Model page created by Karlheinz Fischer. See "Data change" for further contributors.
- Other Models
-
Here you find 161 models, 152 with images and 104 with schematics for wireless sets etc. In French: TSF for Télégraphie sans fil.
All listed radios etc. from Klein & Hummel; Stuttgart-Kemnat (Marke: K+H, Telewatt, Schwabenradio)