Vermona Regent 2023
Klingenthaler Harmonikawerke, VEB; Klingenthal (Sachsen) (Vermona)
- Country
- Germany
- Manufacturer / Brand
- Klingenthaler Harmonikawerke, VEB; Klingenthal (Sachsen) (Vermona)
- Year
- 1986 ??
- Category
- Audio Amplifier or -mixer
- Radiomuseum.org ID
- 99205
-
- alternative name: Musikelektronik Klingenthal (VEB) (Ostd.)
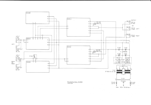
Click on the schematic thumbnail to request the schematic as a free document.
- Number of Transistors
- Semiconductors present.
- Semiconductors
- Main principle
- Audio-Amplification
- Wave bands
- - without
- Power type and voltage
- Alternating Current supply (AC) / 220 Volt
- Loudspeaker
- - This model requires external speaker(s).
- Power out
- 200 W (unknown quality)
- Material
- Metal case
- from Radiomuseum.org
- Model: Vermona Regent 2023 - Klingenthaler Harmonikawerke,
- Shape
- Chassis only or for «building in»
- Dimensions (WHD)
- 442 x 130 x 285 mm / 17.4 x 5.1 x 11.2 inch
- Notes
- Endstufe; Eingang 2× Klinke Mono; jeder Kanel einzeln regelbar; Slave out 0 dB. Ausgang 2× 100 Watt Sinus an 4 Ohm oder gebrückt 200 Watt an 8 Ohm.
- Net weight (2.2 lb = 1 kg)
- 12.5 kg / 27 lb 8.5 oz (27.533 lb)
- Author
- Model page created by Wolfgang Lill. See "Data change" for further contributors.
- Other Models
-
Here you find 81 models, 63 with images and 34 with schematics for wireless sets etc. In French: TSF for Télégraphie sans fil.
All listed radios etc. from Klingenthaler Harmonikawerke, VEB; Klingenthal (Sachsen) (Vermona)